美标法兰
美标法兰是工业管道上的连接件,标准是ANSI B16.5,用于管端之间相互连接的必备附件,法兰盘又叫法兰凸缘盘或突缘。法兰盘由法兰、垫片及螺栓三者相互连接作为一组组合密封结构的可拆连接。
|
产品名称: |
美标法兰 |
产品型号: |
ANSI B16.5 |
|
公称通径: |
DN15~DN600 |
结构形式: |
圆形 |
|
公称压力: |
150LB~2500.0Mpa |
连接方式: |
法兰 |
|
适用温度: |
-196~+100℃~+650℃ |
制作方式: |
铸造、锻造 |
|
阀体材质: |
铸钢、碳钢、锻钢、不锈钢 |
制造标准: |
美国API、ANSI |
|
适用介质: |
水、蒸汽、燃气、气体及腐蚀性液体等 |
生产厂家: |
易倍平台_易倍(中国)一站式服务平台, |
产品说明
美标法兰是工业管道上的连接件,标准是ANSI B16.5,用于管端之间相互连接的必备附件,法兰盘又叫法兰凸缘盘或突缘。法兰盘由法兰、垫片及螺栓三者相互连接作为一组组合密封结构的可拆连接。
结构图
WELDING NECK RF (CLASS 150) STD
|
INCH |
D |
B1 |
t |
T1 |
X |
t2 |
t1 |
A |
R |
h |
No |
K |
G |
f |
KG |
|
1/2 |
88.90 |
15.75 |
11.18 |
47.75 |
30.23 |
29.21 |
7.37 |
21.34 |
3.05 |
15.75 |
4 |
60.45 |
35.05 |
1.52 |
0.49 |
|
3/4 |
98.55 |
20.83 |
12.70 |
52.32 |
38.10 |
31.75 |
7.87 |
26.67 |
3.05 |
15.75 |
4 |
69.85 |
42.93 |
1.52 |
0.72 |
|
1 |
107.95 |
26.67 |
14.22 |
55.63 |
49.28 |
33.02 |
8.38 |
33.53 |
3.05 |
15.75 |
4 |
79.25 |
50.80 |
1.52 |
1.03 |
|
1.1/4 |
117.35 |
35.05 |
15.75 |
57.15 |
58.67 |
33.02 |
8.38 |
42.16 |
4.83 |
15.75 |
4 |
88.90 |
63.50 |
1.52 |
1.34 |
|
1.1/2 |
127.00 |
40.89 |
17.53 |
61.98 |
65.02 |
35.56 |
8.89 |
48.26 |
6.35 |
15.75 |
4 |
98.55 |
73.15 |
1.52 |
1.74 |
|
2 |
152.40 |
52.58 |
19.05 |
63.50 |
77.72 |
35.56 |
8.89 |
60.45 |
7.87 |
19.05 |
4 |
120.65 |
91.95 |
1.52 |
2.6 |
|
2.1/2 |
177.80 |
62.74 |
22.35 |
69.85 |
90.42 |
38.10 |
9.40 |
73.15 |
7.87 |
19.05 |
4 |
139.70 |
104.65 |
1.52 |
4.17 |
|
3 |
190.50 |
77.98 |
23.88 |
69.85 |
107.95 |
36.83 |
9.14 |
88.90 |
9.65 |
19.05 |
4 |
152.40 |
127.00 |
1.52 |
4.99 |
|
3.1/2 |
215.90 |
90.17 |
23.88 |
71.37 |
122.17 |
38.10 |
9.40 |
101.60 |
9.65 |
19.05 |
8 |
177.80 |
139.70 |
1.52 |
6.18 |
|
4 |
228.60 |
102.36 |
23.88 |
76.20 |
134.87 |
41.91 |
10.41 |
114.30 |
11.18 |
19.05 |
8 |
190.50 |
157.23 |
1.52 |
6.97 |
|
5 |
254.00 |
128.27 |
23.88 |
88.90 |
163.58 |
52.07 |
12.95 |
141.22 |
11.18 |
22.35 |
8 |
215.90 |
185.67 |
1.52 |
8.71 |
|
6 |
279.40 |
154.18 |
25.40 |
88.90 |
192.02 |
50.80 |
12.70 |
168.40 |
12.70 |
22.35 |
8 |
241.30 |
215.90 |
1.52 |
10.72 |
|
8 |
342.90 |
202.69 |
28.45 |
101.60 |
246.13 |
58.42 |
14.73 |
219.20 |
12.70 |
22.35 |
8 |
298.45 |
269.75 |
1.52 |
17.69 |
|
10 |
406.40 |
254.51 |
30.23 |
101.60 |
304.80 |
57.15 |
14.22 |
273.05 |
12.70 |
25.40 |
12 |
361.95 |
323.85 |
1.52 |
24.25 |
|
12 |
482.60 |
304.80 |
31.75 |
114.30 |
365.25 |
66.04 |
16.51 |
323.85 |
12.70 |
25.40 |
12 |
431.80 |
381.00 |
1.52 |
36.93 |
|
14 |
533.40 |
336.55 |
35.05 |
127.00 |
400.05 |
73.66 |
18.29 |
355.60 |
12.70 |
28.45 |
12 |
476.25 |
412.75 |
1.52 |
48.88 |
|
16 |
596.90 |
387.35 |
36.58 |
127.00 |
457.20 |
72.39 |
18.03 |
406.40 |
12.70 |
28.45 |
16 |
539.75 |
469.90 |
1.52 |
60.47 |
|
18 |
635.00 |
438.15 |
39.62 |
139.70 |
504.95 |
80.01 |
20.07 |
457.20 |
12.70 |
31.75 |
16 |
577.85 |
533.40 |
1.52 |
68.37 |
|
20 |
698.50 |
488.95 |
42.93 |
144.53 |
558.80 |
81.28 |
20.32 |
508.00 |
12.70 |
31.75 |
20 |
635.00 |
584.20 |
1.52 |
84.60 |
|
24 |
812.80 |
590.55 |
47.75 |
152.40 |
663.45 |
83.82 |
20.83 |
609.60 |
12.70 |
35.05 |
20 |
749.30 |
692.15 |
1.52 |
115.33 |
WELDING NECK RF (CLASS 300) STD
|
INCH |
D |
B1 |
t |
T1 |
X |
t2 |
t1 |
A |
R |
h |
No. |
K |
G |
f |
KG |
|
1/2 |
95.25 |
15.75 |
14.22 |
52.32 |
38.10 |
30.48 |
7.62 |
21.34 |
3.05 |
15.75 |
4 |
66.55 |
35.05 |
1.52 |
0.76 |
|
3/4 |
117.35 |
20.83 |
15.75 |
57.15 |
47.75 |
33.12 |
8.28 |
26.67 |
3.05 |
19.05 |
4 |
82.55 |
42.93 |
1.52 |
1.27 |
|
1 |
123.95 |
26.67 |
17.53 |
61.98 |
53.85 |
35.56 |
8.89 |
33.53 |
3.05 |
19.05 |
4 |
88.90 |
50.80 |
1.52 |
1.61 |
|
1.1/4 |
133.35 |
35.05 |
19.05 |
65.02 |
63.50 |
36.78 |
9.19 |
42.16 |
4.83 |
19.05 |
4 |
98.55 |
63.50 |
1.52 |
2.05 |
|
1.1/2 |
155.45 |
40.89 |
20.57 |
68.33 |
69.85 |
38.20 |
9.55 |
48.26 |
6.35 |
22.35 |
4 |
114.30 |
73.15 |
1.52 |
2.92 |
|
2 |
165.10 |
52.58 |
22.35 |
69.85 |
84.07 |
38.00 |
9.50 |
60.45 |
7.87 |
19.05 |
8 |
127.00 |
91.95 |
1.52 |
3.46 |
|
2.1/2 |
190.50 |
62.74 |
25.40 |
76.20 |
100.08 |
40.64 |
10.16 |
73.15 |
7.87 |
22.35 |
8 |
149.35 |
104.65 |
1.52 |
5.24 |
|
3 |
209.55 |
77.98 |
28.45 |
79.25 |
117.35 |
40.64 |
10.16 |
88.90 |
9.65 |
22.35 |
8 |
168.15 |
127.00 |
1.52 |
6.98 |
|
3.1/2 |
228.60 |
90.17 |
30.23 |
81.03 |
133.35 |
40.64 |
10.16 |
101.60 |
9.65 |
22.35 |
8 |
184.15 |
139.70 |
1.52 |
8.79 |
|
4 |
254.00 |
102.36 |
31.75 |
85.85 |
146.05 |
43.28 |
10.82 |
114.30 |
11.18 |
22.35 |
8 |
200.15 |
157.23 |
1.52 |
11.38 |
|
5 |
279.40 |
128.27 |
35.05 |
98.55 |
177.80 |
50.80 |
12.70 |
141.22 |
11.18 |
22.35 |
8 |
234.95 |
185.67 |
1.52 |
15.20 |
|
6 |
317.50 |
154.18 |
36.58 |
98.55 |
206.25 |
49.58 |
12.40 |
168.40 |
12.70 |
22.35 |
12 |
269.75 |
215.90 |
1.52 |
19.42 |
|
8 |
381.00 |
202.69 |
41.15 |
111.25 |
260.35 |
56.08 |
14.02 |
219.20 |
12.70 |
25.40 |
12 |
330.20 |
269.75 |
1.52 |
30.16 |
|
10 |
444.50 |
254.51 |
47.75 |
117.35 |
320.55 |
55.68 |
13.92 |
273.05 |
12.70 |
28.45 |
16 |
387.35 |
323.85 |
1.52 |
43.45 |
|
12 |
520.70 |
304.80 |
50.80 |
130.05 |
374.65 |
63.40 |
15.85 |
323.85 |
12.70 |
31.75 |
16 |
450.85 |
381.00 |
1.52 |
62.36 |
|
14 |
584.20 |
336.55 |
53.85 |
142.75 |
425.45 |
71.12 |
17.78 |
355.60 |
12.70 |
31.75 |
20 |
514.35 |
412.75 |
1.52 |
86.43 |
|
16 |
647.70 |
387.35 |
57.15 |
146.05 |
482.60 |
71.12 |
17.78 |
406.40 |
12.70 |
35.05 |
20 |
571.50 |
469.90 |
1.52 |
107.38 |
|
18 |
711.20 |
438.15 |
60.45 |
158.75 |
533.40 |
78.64 |
19.66 |
457.20 |
12.70 |
35.05 |
24 |
628.65 |
533.40 |
1.52 |
132.34 |
|
20 |
774.70 |
488.95 |
63.50 |
162.05 |
587.25 |
78.84 |
19.71 |
508.00 |
12.70 |
35.05 |
24 |
685.80 |
584.20 |
1.52 |
159.80 |
|
24 |
914.40 |
590.55 |
69.85 |
168.15 |
701.55 |
78.64 |
19.66 |
609.60 |
12.70 |
41.15 |
24 |
812.80 |
692.15 |
1.52 |
231.82 |
WELDING NECK RF (CLASS 600) STD
|
INCH |
D |
B1 |
t |
T1 |
X |
t2 |
t1 |
A |
R |
h |
No |
K |
G |
f |
KG |
|
1/2 |
95.25 |
15.75 |
14.22 |
52.32 |
38.10 |
30.48 |
7.62 |
21.34 |
3.05 |
15.75 |
4 |
66.55 |
35.05 |
6.35 |
0.86 |
|
3/4 |
117.35 |
20.83 |
15.75 |
57.15 |
47.75 |
33.02 |
8.38 |
26.67 |
3.05 |
19.05 |
4 |
82.55 |
42.93 |
6.35 |
1.42 |
|
1 |
123.95 |
26.67 |
17.53 |
61.98 |
53.85 |
35.56 |
8.89 |
33.53 |
3.05 |
19.05 |
4 |
88.90 |
50.80 |
6.35 |
1.79 |
|
1.1/4 |
133.35 |
35.05 |
20.57 |
66.55 |
63.50 |
36.83 |
9.14 |
42.16 |
4.83 |
19.05 |
4 |
98.55 |
63.50 |
6.35 |
2.42 |
|
1.1/2 |
155.45 |
40.89 |
22.35 |
69.85 |
69.85 |
38.10 |
9.40 |
48.26 |
6.35 |
22.35 |
4 |
114.30 |
73.15 |
6.35 |
3.44 |
|
2 |
165.10 |
52.58 |
25.40 |
73.15 |
84.07 |
38.10 |
9.65 |
60.45 |
7.87 |
19.05 |
8 |
127.00 |
91.95 |
6.35 |
4.24 |
|
2.1/2 |
190.50 |
62.74 |
28.45 |
79.25 |
100.08 |
40.64 |
10.16 |
73.15 |
7.87 |
22.35 |
8 |
149.35 |
104.65 |
6.35 |
6.25 |
|
3 |
209.55 |
77.98 |
31.75 |
82.55 |
117.35 |
40.64 |
10.16 |
88.90 |
9.65 |
22.35 |
8 |
168.15 |
127.00 |
6.35 |
8.29 |
|
3.1/2 |
228.60 |
90.17 |
35.05 |
85.85 |
133.35 |
40.64 |
10.16 |
101.60 |
9.65 |
25.40 |
8 |
184.15 |
139.70 |
6.35 |
10.45 |
|
4 |
273.05 |
102.36 |
38.10 |
101.60 |
152.40 |
50.80 |
12.70 |
114.30 |
11.18 |
25.40 |
8 |
215.90 |
157.23 |
6.35 |
16.93 |
|
5 |
330.20 |
128.27 |
44.45 |
114.30 |
188.98 |
55.88 |
13.97 |
141.22 |
11.18 |
28.45 |
8 |
266.70 |
185.67 |
6.35 |
28.39 |
|
6 |
355.60 |
154.18 |
47.75 |
117.35 |
222.25 |
55.63 |
13.97 |
168.40 |
12.70 |
28.45 |
12 |
292.10 |
215.90 |
6.35 |
33.67 |
|
8 |
419.10 |
202.69 |
55.63 |
133.35 |
273.05 |
62.23 |
15.49 |
219.20 |
12.70 |
31.75 |
12 |
349.25 |
269.75 |
6.35 |
51.48 |
|
10 |
508.00 |
254.51 |
63.50 |
152.40 |
342.90 |
71.12 |
17.78 |
273.05 |
12.70 |
35.05 |
16 |
431.80 |
323.85 |
6.35 |
83.98 |
|
12 |
558.80 |
304.80 |
66.55 |
155.45 |
400.05 |
71.12 |
17.78 |
323.85 |
12.70 |
35.05 |
20 |
488.95 |
381.00 |
6.35 |
100.20 |
|
14 |
603.25 |
336.55 |
69.85 |
165.10 |
431.80 |
76.20 |
19.05 |
355.60 |
12.70 |
38.10 |
20 |
527.05 |
412.75 |
6.35 |
119.06 |
|
16 |
685.80 |
387.35 |
76.20 |
177.80 |
495.30 |
81.28 |
20.32 |
406.40 |
12.70 |
41.15 |
20 |
603.25 |
469.90 |
6.35 |
166.23 |
|
18 |
742.95 |
438.15 |
82.55 |
184.15 |
546.10 |
81.28 |
20.32 |
457.20 |
12.70 |
44.45 |
20 |
654.05 |
533.40 |
6.35 |
199.11 |
|
20 |
812.80 |
488.95 |
88.90 |
190.50 |
609.60 |
81.28 |
20.32 |
508.00 |
12.70 |
44.45 |
24 |
723.90 |
584.20 |
6.35 |
248.56 |
|
24 |
939.80 |
590.55 |
101.60 |
203.20 |
717.55 |
81.28 |
20.32 |
609.60 |
12.70 |
50.80 |
24 |
838.20 |
692.15 |
6.35 |
350.35 |
WELDING NECK RF (CLASS 900) STD
|
INCH |
D |
B1 |
t |
T1 |
X |
t2 |
t1 |
A |
R |
h |
No |
K |
G |
f |
KG |
|
1/2 |
120.65 |
15.80 |
22.35 |
60.45 |
38.10 |
30.48 |
7.62 |
21.34 |
3.05 |
22.35 |
4 |
82.55 |
35.05 |
6.35 |
1.87 |
|
3/4 |
130.05 |
20.93 |
25.40 |
69.85 |
44.45 |
35.56 |
8.89 |
26.67 |
3.05 |
22.35 |
4 |
88.90 |
42.93 |
6.35 |
2.52 |
|
1 |
149.35 |
26.64 |
28.45 |
73.15 |
52.32 |
35.76 |
8.94 |
33.53 |
3.05 |
25.40 |
4 |
101.60 |
50.80 |
6.35 |
3.69 |
|
1.1/4 |
158.75 |
35.05 |
28.45 |
73.15 |
63.50 |
35.76 |
8.94 |
42.16 |
4.83 |
25.40 |
4 |
111.25 |
63.50 |
6.35 |
4.25 |
|
1.1/2 |
177.80 |
40.89 |
31.75 |
82.55 |
69.85 |
40.64 |
10.16 |
48.26 |
6.35 |
28.45 |
4 |
123.95 |
73.15 |
6.35 |
5.88 |
|
2 |
215.90 |
52.50 |
38.10 |
101.60 |
104.65 |
50.80 |
12.70 |
60.45 |
7.87 |
25.40 |
8 |
165.10 |
91.95 |
6.35 |
10.71 |
|
2.1/2 |
244.35 |
62.71 |
41.15 |
104.65 |
123.95 |
50.80 |
12.70 |
73.15 |
7.87 |
28.45 |
8 |
190.50 |
104.65 |
6.35 |
14.77 |
|
3 |
241.30 |
77.93 |
38.10 |
101.60 |
127.00 |
50.80 |
12.70 |
88.90 |
9.65 |
25.40 |
8 |
190.50 |
127.00 |
6.35 |
13.36 |
|
4 |
292.10 |
102.26 |
44.45 |
114.30 |
158.75 |
55.88 |
13.97 |
114.30 |
11.18 |
31.75 |
8 |
234.95 |
157.23 |
6.35 |
21.97 |
|
5 |
349.25 |
128.19 |
50.80 |
127.00 |
190.50 |
60.96 |
15.24 |
141.22 |
11.18 |
35.05 |
8 |
279.40 |
185.67 |
6.35 |
35.25 |
|
6 |
381.00 |
154.05 |
55.63 |
139.70 |
234.95 |
67.26 |
16.81 |
168.40 |
12.70 |
31.75 |
12 |
317.50 |
215.90 |
6.35 |
46.05 |
|
8 |
469.90 |
202.72 |
63.50 |
162.05 |
298.45 |
78.84 |
19.71 |
219.20 |
12.70 |
38.10 |
12 |
393.70 |
269.75 |
6.35 |
78.46 |
|
10 |
546.10 |
254.51 |
69.85 |
184.15 |
368.30 |
91.44 |
22.86 |
273.05 |
12.70 |
38.10 |
16 |
469.90 |
323.85 |
6.35 |
115.36 |
|
12 |
609.60 |
304.80 |
79.25 |
200.15 |
419.10 |
96.72 |
24.18 |
323.85 |
12.70 |
38.10 |
20 |
533.40 |
381.00 |
6.35 |
153.16 |
|
14 |
641.35 |
336.55 |
85.85 |
212.85 |
450.85 |
101.60 |
25.40 |
355.60 |
12.70 |
41.15 |
20 |
558.80 |
412.75 |
6.35 |
175.51 |
|
16 |
704.85 |
387.35 |
88.90 |
215.90 |
508.00 |
101.60 |
25.40 |
406.40 |
12.70 |
44.45 |
20 |
615.95 |
469.90 |
6.35 |
211.04 |
|
18 |
787.40 |
438.15 |
101.60 |
228.60 |
565.15 |
101.60 |
25.40 |
457.20 |
12.70 |
50.80 |
20 |
685.80 |
533.40 |
6.35 |
286.11 |
|
20 |
857.25 |
488.95 |
107.95 |
247.65 |
622.30 |
111.76 |
27.94 |
508.00 |
12.70 |
53.85 |
20 |
749.30 |
584.20 |
6.35 |
354.75 |
|
24 |
1041.40 |
590.55 |
139.70 |
292.10 |
749.30 |
121.92 |
30.48 |
609.60 |
12.70 |
66.55 |
20 |
901.70 |
692.15 |
6.35 |
652.91 |
WELDING NECK RF (CLASS 1500) STD
|
INCH |
D |
B1 |
t |
T1 |
X |
t2 |
t1 |
A |
R |
h |
No |
K |
G |
f |
KG |
|
1/2 |
120.65 |
15.80 |
22.35 |
60.45 |
38.10 |
30.48 |
7.62 |
21.34 |
3.05 |
22.35 |
4 |
82.55 |
35.05 |
6.35 |
1.87 |
|
3/4 |
130.05 |
20.93 |
25.40 |
69.85 |
44.45 |
35.56 |
8.89 |
26.67 |
3.05 |
22.35 |
4 |
88.90 |
42.93 |
6.35 |
2.52 |
|
1 |
149.35 |
26.64 |
28.45 |
73.15 |
52.32 |
35.76 |
8.94 |
33.53 |
3.05 |
25.40 |
4 |
101.60 |
50.80 |
6.35 |
3.69 |
|
1.1/4 |
158.75 |
35.05 |
28.45 |
73.15 |
63.50 |
35.76 |
8.94 |
42.16 |
4.83 |
25.40 |
4 |
111.25 |
63.50 |
6.35 |
4.25 |
|
1.1/2 |
177.80 |
40.89 |
31.75 |
82.55 |
69.85 |
40.64 |
10.16 |
48.26 |
6.35 |
28.45 |
4 |
123.95 |
73.15 |
6.35 |
5.88 |
|
2 |
215.90 |
52.50 |
38.10 |
101.60 |
104.65 |
50.80 |
12.70 |
60.45 |
7.87 |
25.40 |
8 |
165.10 |
91.95 |
6.35 |
10.71 |
|
2.1/2 |
244.35 |
62.71 |
41.15 |
104.65 |
123.95 |
50.80 |
12.70 |
73.15 |
7.87 |
28.45 |
8 |
190.50 |
104.65 |
6.35 |
14.77 |
|
3 |
266.70 |
77.93 |
47.75 |
117.35 |
133.35 |
55.68 |
13.92 |
88.90 |
9.65 |
31.75 |
8 |
203.20 |
127.00 |
6.35 |
19.54 |
|
4 |
311.15 |
102.26 |
53.85 |
123.95 |
162.05 |
56.08 |
14.02 |
114.30 |
11.18 |
35.05 |
8 |
241.30 |
157.23 |
6.35 |
29.24 |
|
5 |
374.65 |
128.19 |
73.15 |
155.45 |
196.85 |
65.84 |
16.46 |
141.22 |
11.18 |
41.15 |
8 |
292.10 |
185.67 |
6.35 |
55.88 |
|
6 |
393.70 |
154.05 |
82.55 |
171.45 |
228.60 |
71.12 |
17.78 |
168.40 |
12.70 |
38.10 |
12 |
317.50 |
215.90 |
6.35 |
66.35 |
|
8 |
482.60 |
202.72 |
91.95 |
212.85 |
292.10 |
96.72 |
24.18 |
219.20 |
12.70 |
44.45 |
12 |
393.70 |
269.75 |
6.35 |
112.30 |
|
10 |
584.20 |
254.51 |
107.95 |
254.00 |
368.30 |
116.84 |
29.21 |
273.05 |
12.70 |
50.80 |
12 |
482.60 |
323.85 |
6.35 |
194.72 |
|
12 |
673.10 |
304.80 |
123.95 |
282.45 |
450.85 |
126.80 |
31.70 |
323.85 |
12.70 |
53.85 |
16 |
571.50 |
381.00 |
6.35 |
289.88 |
|
14 |
749.30 |
336.55 |
133.35 |
298.45 |
495.30 |
132.08 |
33.02 |
355.60 |
12.70 |
60.45 |
16 |
635.00 |
412.75 |
6.35 |
381.82 |
|
16 |
825.50 |
387.35 |
146.05 |
311.15 |
552.45 |
132.08 |
33.02 |
406.40 |
12.70 |
66.55 |
16 |
704.85 |
469.90 |
6.35 |
486.99 |
|
18 |
914.40 |
438.15 |
162.05 |
327.15 |
596.90 |
132.08 |
33.02 |
457.20 |
12.70 |
73.15 |
16 |
774.70 |
533.40 |
6.35 |
636.33 |
|
20 |
984.25 |
488.95 |
177.80 |
355.60 |
641.35 |
142.24 |
35.56 |
508.00 |
12.70 |
79.25 |
16 |
831.85 |
584.20 |
6.35 |
779.14 |
|
24 |
1168.40 |
590.55 |
203.20 |
406.40 |
762.00 |
162.56 |
40.64 |
609.60 |
12.70 |
91.95 |
16 |
990.60 |
692.15 |
6.35 |
1238.50 |
WELDING NECK RF (CLASS 2500) STD
|
INCH |
D |
B1 |
t |
T1 |
X |
t2 |
t1 |
A |
R |
h |
No |
K |
G |
f |
KG |
|
1/2 |
133.35 |
15.75 |
30.23 |
73.15 |
42.93 |
34.29 |
8.64 |
21.34 |
3.05 |
22.35 |
4 |
88.90 |
35.05 |
6.35 |
3.12 |
|
3/4 |
139.70 |
20.83 |
31.75 |
79.25 |
50.80 |
38.10 |
9.40 |
26.67 |
3.05 |
22.35 |
4 |
95.25 |
42.93 |
6.35 |
3.68 |
|
1 |
158.75 |
26.67 |
35.05 |
88.90 |
57.15 |
43.18 |
10.67 |
33.53 |
3.05 |
25.40 |
4 |
107.95 |
50.80 |
6.35 |
5.21 |
|
1.1/4 |
184.15 |
35.05 |
38.10 |
95.25 |
73.15 |
45.72 |
11.43 |
42.16 |
4.83 |
28.45 |
4 |
130.05 |
63.50 |
6.35 |
7.68 |
|
1.1/2 |
203.20 |
40.89 |
44.45 |
111.25 |
79.25 |
53.34 |
13.46 |
48.26 |
6.35 |
31.75 |
4 |
146.05 |
73.15 |
6.35 |
10.76 |
|
2 |
234.95 |
52.58 |
50.80 |
127.00 |
95.25 |
60.96 |
15.24 |
60.45 |
7.87 |
28.45 |
8 |
171.45 |
91.95 |
6.35 |
15.98 |
|
2.1/2 |
266.70 |
62.74 |
57.15 |
142.75 |
114.30 |
68.58 |
17.02 |
73.15 |
7.87 |
31.75 |
8 |
196.85 |
104.65 |
6.35 |
23.37 |
|
3 |
304.80 |
77.98 |
66.55 |
168.15 |
133.35 |
81.28 |
20.32 |
88.90 |
9.65 |
35.05 |
8 |
228.60 |
127.00 |
6.35 |
35.44 |
|
4 |
355.60 |
102.36 |
76.20 |
190.50 |
165.10 |
91.44 |
22.86 |
114.30 |
11.18 |
41.15 |
8 |
273.05 |
157.23 |
6.35 |
54.26 |
|
5 |
419.10 |
128.27 |
91.95 |
228.60 |
203.20 |
109.22 |
27.43 |
141.22 |
11.18 |
47.75 |
8 |
323.85 |
185.67 |
6.35 |
90.31 |
|
6 |
482.60 |
154.18 |
107.95 |
273.05 |
234.95 |
132.08 |
33.02 |
168.40 |
12.70 |
53.85 |
8 |
368.30 |
215.90 |
6.35 |
139.64 |
|
8 |
552.45 |
202.69 |
127.00 |
317.50 |
304.80 |
152.40 |
38.10 |
219.20 |
12.70 |
53.85 |
12 |
438.15 |
269.75 |
6.35 |
208.90 |
|
10 |
673.10 |
254.51 |
165.10 |
419.10 |
374.65 |
203.20 |
50.80 |
273.05 |
12.70 |
66.55 |
12 |
539.75 |
323.85 |
6.35 |
397.09 |
|
12 |
762.00 |
304.80 |
184.15 |
463.55 |
441.45 |
223.52 |
55.88 |
323.85 |
12.70 |
73.15 |
12 |
619.25 |
381.00 |
6.35 |
562.37 |
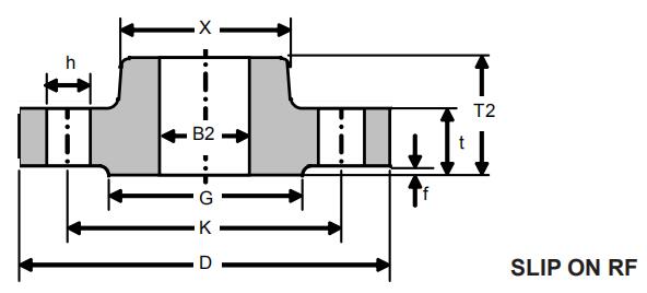
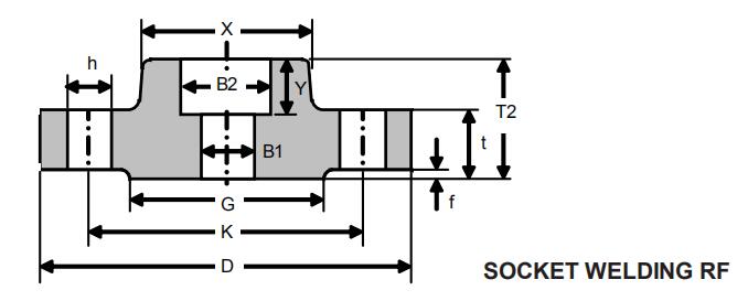
结构图
SOCKET W ELDING RF (CLASS 150)
|
INCH |
D |
B2 |
B1 |
t |
Y |
T2 |
X |
h |
No |
K |
G |
f |
KG |
|
1/2 |
88.90 |
22.35 |
15.75 |
11.18 |
9.65 |
15.75 |
30.23 |
15.75 |
4 |
60.45 |
35.05 |
1.52 |
0.41 |
|
3/4 |
98.55 |
27.69 |
20.83 |
12.70 |
11.18 |
15.75 |
38.10 |
15.75 |
4 |
69.85 |
42.93 |
1.52 |
0.58 |
|
1 |
107.95 |
34.54 |
26.67 |
14.22 |
12.70 |
17.53 |
49.28 |
15.75 |
4 |
79.25 |
50.80 |
1.52 |
0.79 |
|
1.1/4 |
117.35 |
43.18 |
35.05 |
15.75 |
14.22 |
20.57 |
58.67 |
15.75 |
4 |
88.90 |
63.50 |
1.52 |
1.05 |
|
1.1/2 |
127.00 |
49.53 |
40.89 |
17.53 |
15.75 |
22.35 |
65.02 |
15.75 |
4 |
98.55 |
73.15 |
1.52 |
1.36 |
|
2 |
152.40 |
61.98 |
52.58 |
19.05 |
17.53 |
25.40 |
77.72 |
19.05 |
4 |
120.65 |
91.95 |
1.52 |
2.12 |
|
2.1/2 |
177.80 |
74.68 |
62.74 |
22.35 |
19.05 |
28.45 |
90.42 |
19.05 |
4 |
139.70 |
104.65 |
1.52 |
3.40 |
|
3 |
190.50 |
90.68 |
77.98 |
23.88 |
20.57 |
30.23 |
107.95 |
19.05 |
4 |
152.40 |
127.00 |
1.52 |
4.01 |
|
3.1/2 |
215.90 |
103.38 |
90.17 |
23.88 |
22.35 |
31.75 |
122.17 |
19.05 |
8 |
177.80 |
139.70 |
1.52 |
4.99 |
|
4 |
228.60 |
116.08 |
102.36 |
23.88 |
23.88 |
33.27 |
134.87 |
19.05 |
8 |
190.50 |
157.23 |
1.52 |
5.50 |
|
5 |
254.00 |
143.76 |
128.27 |
23.88 |
23.88 |
36.58 |
163.58 |
22.35 |
8 |
215.90 |
185.67 |
1.52 |
6.43 |
|
6 |
279.40 |
170.69 |
154.18 |
25.40 |
26.92 |
39.62 |
192.02 |
22.35 |
8 |
241.30 |
215.90 |
1.52 |
7.88 |
|
8 |
342.90 |
221.49 |
202.69 |
28.45 |
31.75 |
44.45 |
246.13 |
22.35 |
8 |
298.45 |
269.75 |
1.52 |
12.70 |
|
10 |
406.40 |
276.35 |
254.51 |
30.23 |
33.27 |
49.28 |
304.80 |
25.40 |
12 |
361.95 |
323.85 |
1.52 |
17.70 |
|
12 |
482.60 |
327.15 |
304.80 |
31.75 |
39.62 |
55.63 |
365.25 |
25.40 |
12 |
431.80 |
381.00 |
1.52 |
27.65 |
|
14 |
533.40 |
359.16 |
336.55 |
35.05 |
41.40 |
57.15 |
400.05 |
28.45 |
12 |
476.25 |
412.75 |
1.52 |
36.29 |
|
16 |
596.90 |
410.46 |
387.35 |
36.58 |
44.45 |
63.50 |
457.20 |
28.45 |
16 |
539.75 |
469.90 |
1.52 |
47.18 |
|
18 |
635.00 |
461.77 |
438.15 |
39.62 |
49.28 |
68.33 |
504.95 |
31.75 |
16 |
577.85 |
533.40 |
1.52 |
51.39 |
|
20 |
698.50 |
513.08 |
488.95 |
42.93 |
54.10 |
73.15 |
558.80 |
31.75 |
20 |
635.00 |
584.20 |
1.52 |
64.91 |
|
24 |
812.80 |
615.95 |
590.55 |
47.75 |
63.50 |
82.55 |
663.45 |
35.05 |
20 |
749.30 |
692.15 |
1.52 |
90.73 |
SOCKET W ELDING RF (CLASS 300)
|
INCH |
D |
B2 |
B1 |
t |
Y |
T2 |
X |
h |
No |
K |
G |
f |
KG |
|
1/2 |
95.25 |
22.35 |
15.75 |
14.22 |
9.65 |
22.35 |
38.10 |
15.75 |
4 |
66.55 |
35.05 |
1.52 |
0.67 |
|
3/4 |
117.35 |
27.69 |
20.83 |
15.75 |
11.18 |
25.40 |
47.75 |
19.05 |
4 |
82.55 |
42.93 |
1.52 |
1.14 |
|
1 |
123.95 |
34.54 |
26.67 |
17.53 |
12.70 |
26.92 |
53.85 |
19.05 |
4 |
88.90 |
50.80 |
1.52 |
1.41 |
|
1.1/4 |
133.35 |
43.18 |
35.05 |
19.05 |
14.22 |
26.92 |
63.50 |
19.05 |
4 |
98.55 |
63.50 |
1.52 |
1.74 |
|
1.1/2 |
155.45 |
49.53 |
40.89 |
20.57 |
15.75 |
30.23 |
69.85 |
22.35 |
4 |
114.30 |
73.15 |
1.52 |
2.56 |
|
2 |
165.10 |
61.98 |
52.58 |
22.35 |
17.53 |
33.27 |
84.07 |
19.05 |
8 |
127.00 |
91.95 |
1.52 |
3.00 |
|
2.1/2 |
190.50 |
74.68 |
62.74 |
25.40 |
19.05 |
38.10 |
100.08 |
22.35 |
8 |
149.35 |
104.65 |
1.52 |
4.52 |
|
3 |
209.55 |
90.68 |
77.98 |
28.45 |
20.57 |
42.93 |
117.35 |
22.35 |
8 |
168.15 |
127.00 |
1.52 |
6.13 |
|
3.1/2 |
228.60 |
103.38 |
90.17 |
30.23 |
22.35 |
44.45 |
133.35 |
22.35 |
8 |
184.15 |
139.70 |
1.52 |
7.70 |
|
4 |
254.00 |
116.08 |
102.36 |
31.75 |
23.88 |
47.75 |
146.05 |
22.35 |
8 |
200.15 |
157.23 |
1.52 |
10.09 |
|
5 |
279.40 |
143.76 |
128.27 |
35.05 |
23.88 |
50.80 |
177.80 |
22.35 |
8 |
234.95 |
185.67 |
1.52 |
12.93 |
|
6 |
317.50 |
170.69 |
154.18 |
36.58 |
26.92 |
52.32 |
206.25 |
22.35 |
12 |
269.75 |
215.90 |
1.52 |
16.50 |
|
8 |
381.00 |
221.49 |
202.69 |
41.15 |
31.75 |
61.98 |
260.35 |
25.40 |
12 |
330.20 |
269.75 |
1.52 |
25.70 |
|
10 |
444.50 |
276.35 |
254.51 |
47.75 |
33.27 |
66.55 |
320.55 |
28.45 |
16 |
387.35 |
323.85 |
1.52 |
36.56 |
|
12 |
520.70 |
327.15 |
304.80 |
50.80 |
39.62 |
73.15 |
374.65 |
31.75 |
16 |
450.85 |
381.00 |
1.52 |
52.83 |
|
14 |
584.20 |
359.16 |
336.55 |
53.85 |
41.40 |
76.20 |
425.45 |
31.75 |
20 |
514.35 |
412.75 |
1.52 |
72.92 |
|
16 |
647.70 |
410.46 |
387.35 |
57.15 |
44.45 |
82.55 |
482.60 |
35.05 |
20 |
571.50 |
469.90 |
1.52 |
92.58 |
|
18 |
711.20 |
461.77 |
438.15 |
60.45 |
49.28 |
88.90 |
533.40 |
35.05 |
24 |
628.65 |
533.40 |
1.52 |
113.95 |
|
20 |
774.70 |
513.08 |
488.95 |
63.50 |
54.10 |
95.25 |
587.25 |
35.05 |
24 |
685.80 |
584.20 |
1.52 |
140.32 |
|
24 |
914.40 |
615.95 |
590.55 |
69.85 |
63.50 |
106.43 |
701.55 |
41.15 |
24 |
812.80 |
692.15 |
1.52 |
209.77 |
SOCKET WELDING RF (CLASS 600)
|
INCH |
D |
B2 |
B1 |
t |
Y |
T2 |
X |
h |
No |
K |
G |
f |
KG |
|
1/2 |
95.25 |
22.35 |
15.75 |
14.22 |
9.65 |
22.35 |
38.10 |
15.75 |
4 |
66.55 |
35.05 |
6.35 |
0.77 |
|
3/4 |
117.35 |
27.69 |
20.83 |
15.75 |
11.18 |
25.40 |
47.75 |
19.05 |
4 |
82.55 |
42.93 |
6.35 |
1.30 |
|
1 |
123.95 |
34.54 |
26.67 |
17.53 |
12.70 |
26.92 |
53.85 |
19.05 |
4 |
88.90 |
50.80 |
6.35 |
1.59 |
|
1.1/4 |
133.35 |
43.18 |
35.05 |
20.57 |
14.22 |
28.45 |
63.50 |
19.05 |
4 |
98.55 |
63.50 |
6.35 |
2.11 |
|
1.1/2 |
155.45 |
49.53 |
40.89 |
22.35 |
15.75 |
31.75 |
69.85 |
22.35 |
4 |
114.30 |
73.15 |
6.35 |
3.08 |
|
2 |
165.10 |
61.98 |
52.58 |
25.40 |
17.53 |
36.58 |
84.07 |
19.05 |
8 |
127.00 |
91.95 |
6.35 |
3.78 |
|
2.1/2 |
190.50 |
74.68 |
62.74 |
28.45 |
19.05 |
41.15 |
100.08 |
22.35 |
8 |
149.35 |
104.65 |
6.35 |
5.53 |
|
3 |
209.55 |
90.68 |
77.98 |
31.75 |
20.57 |
45.97 |
117.35 |
22.35 |
8 |
168.15 |
127.00 |
6.35 |
7.42 |
|
3.1/2 |
228.60 |
103.38 |
90.17 |
35.05 |
22.35 |
49.28 |
133.35 |
25.40 |
8 |
184.15 |
139.70 |
6.35 |
9.36 |
|
4 |
273.05 |
116.08 |
102.36 |
38.10 |
23.88 |
53.85 |
152.40 |
25.40 |
8 |
215.90 |
157.23 |
6.35 |
15.19 |
|
5 |
330.20 |
143.76 |
128.27 |
44.45 |
23.88 |
60.45 |
188.98 |
28.45 |
8 |
266.70 |
185.67 |
6.35 |
25.58 |
|
6 |
355.60 |
170.69 |
154.18 |
47.75 |
26.92 |
66.55 |
222.25 |
28.45 |
12 |
292.10 |
215.90 |
6.35 |
30.34 |
|
8 |
419.10 |
221.49 |
202.69 |
55.63 |
31.75 |
76.20 |
273.05 |
31.75 |
12 |
349.25 |
269.75 |
6.35 |
45.93 |
|
10 |
508.00 |
276.35 |
254.51 |
63.50 |
33.27 |
85.85 |
342.90 |
35.05 |
16 |
431.80 |
323.85 |
6.35 |
74.45 |
|
12 |
558.80 |
327.15 |
304.80 |
66.55 |
39.62 |
91.95 |
400.05 |
35.05 |
20 |
488.95 |
381.00 |
6.35 |
89.03 |
|
14 |
603.25 |
359.16 |
336.55 |
69.85 |
41.40 |
93.73 |
431.80 |
38.10 |
20 |
527.05 |
412.75 |
6.35 |
104.43 |
|
16 |
685.80 |
410.46 |
387.35 |
76.20 |
44.45 |
106.43 |
495.30 |
41.15 |
20 |
603.25 |
469.90 |
6.35 |
150.03 |
|
18 |
742.95 |
461.77 |
438.15 |
82.55 |
49.28 |
117.35 |
546.10 |
44.45 |
20 |
654.05 |
533.40 |
6.35 |
183.07 |
|
20 |
812.80 |
513.08 |
488.95 |
88.90 |
54.10 |
127.00 |
609.60 |
44.45 |
24 |
723.90 |
584.20 |
6.35 |
232.14 |
|
24 |
939.80 |
615.95 |
590.55 |
101.60 |
63.50 |
139.70 |
717.55 |
50.80 |
24 |
838.20 |
692.15 |
6.35 |
328.13 |
SOCKET WELDING RF (CLASS 1500)
|
INCH |
D |
B2 |
B1 |
t |
Y |
T2 |
X |
h |
No |
K |
G |
f |
KG |
|
1/2 |
120.65 |
22.35 |
15.80 |
22.35 |
9.65 |
31.75 |
38.10 |
22.35 |
4 |
82.55 |
35.05 |
6.35 |
1.79 |
|
3/4 |
130.05 |
27.69 |
20.93 |
25.40 |
11.18 |
35.05 |
44.45 |
22.35 |
4 |
88.90 |
42.93 |
6.35 |
2.39 |
|
1 |
149.35 |
34.54 |
26.64 |
28.45 |
12.70 |
41.15 |
52.32 |
25.40 |
4 |
101.60 |
50.80 |
6.35 |
3.53 |
|
1.1/4 |
158.75 |
43.18 |
35.05 |
28.45 |
14.22 |
41.15 |
63.50 |
25.40 |
4 |
111.25 |
63.50 |
6.35 |
4.03 |
|
1.1/2 |
177.80 |
49.53 |
40.89 |
31.75 |
15.75 |
44.45 |
69.85 |
28.45 |
4 |
123.95 |
73.15 |
6.35 |
5.55 |
|
2 |
215.90 |
61.98 |
52.50 |
38.10 |
17.53 |
57.15 |
104.65 |
25.40 |
8 |
165.10 |
91.95 |
6.35 |
10.16 |
|
2.1/2 |
244.35 |
74.68 |
62.71 |
41.15 |
19.05 |
63.50 |
123.95 |
28.45 |
8 |
190.50 |
104.65 |
6.35 |
14.16 |
|
3 |
266.70 |
90.68 |
77.93 |
47.75 |
20.57 |
73.15 |
133.35 |
31.75 |
8 |
203.20 |
127.00 |
6.35 |
18.73 |
|
4 |
311.15 |
116.08 |
102.26 |
53.85 |
23.88 |
90.42 |
162.05 |
35.05 |
8 |
241.30 |
157.23 |
6.35 |
29.08 |
|
5 |
374.65 |
143.76 |
128.19 |
73.15 |
23.88 |
104.65 |
196.85 |
41.15 |
8 |
292.10 |
185.67 |
6.35 |
54.20 |
|
6 |
393.70 |
170.69 |
154.05 |
82.55 |
26.92 |
119.13 |
228.60 |
38.10 |
12 |
317.50 |
215.90 |
6.35 |
64.38 |
|
8 |
482.60 |
221.49 |
202.72 |
91.95 |
31.75 |
142.75 |
292.10 |
44.45 |
12 |
393.70 |
269.75 |
6.35 |
108.83 |
|
10 |
584.20 |
276.35 |
254.51 |
107.95 |
33.27 |
158.75 |
368.30 |
50.80 |
12 |
482.60 |
323.85 |
6.35 |
184.81 |
|
12 |
673.10 |
327.15 |
304.80 |
123.95 |
39.62 |
180.85 |
450.85 |
53.85 |
16 |
571.50 |
381.00 |
6.35 |
277.09 |
结构图
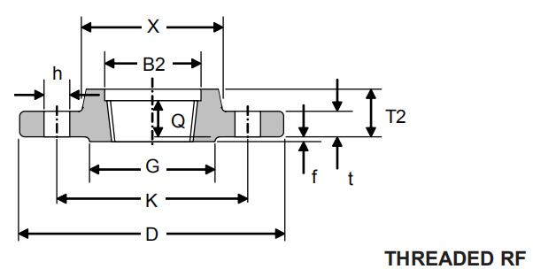
THREADED RF (CLASS 150)
|
INCH |
D |
B2 |
t |
T2 |
X |
Q |
h |
No |
K |
G |
f |
KG |
|
1/2 |
88.90 |
22.35 |
11.18 |
15.75 |
30.23 |
15.75 |
15.75 |
4 |
60.45 |
35.05 |
1.52 |
0.40 |
|
3/4 |
98.55 |
27.69 |
12.70 |
15.75 |
38.10 |
15.75 |
15.75 |
4 |
69.85 |
42.93 |
1.52 |
0.57 |
|
1 |
107.95 |
34.54 |
14.22 |
17.53 |
49.28 |
17.53 |
15.75 |
4 |
79.25 |
50.80 |
1.52 |
0.78 |
|
1.1/4 |
117.35 |
43.18 |
15.75 |
20.57 |
58.67 |
20.57 |
15.75 |
4 |
88.90 |
63.50 |
1.52 |
1.02 |
|
1.1/2 |
127.00 |
49.53 |
17.53 |
22.35 |
65.02 |
22.35 |
15.75 |
4 |
98.55 |
73.15 |
1.52 |
1.33 |
|
2 |
152.40 |
61.98 |
19.05 |
25.40 |
77.72 |
25.40 |
19.05 |
4 |
120.65 |
91.95 |
1.52 |
2.07 |
|
2.1/2 |
177.80 |
74.68 |
22.35 |
28.45 |
90.42 |
28.45 |
19.05 |
4 |
139.70 |
104.65 |
1.52 |
3.31 |
|
3 |
190.50 |
90.68 |
23.88 |
30.23 |
107.95 |
30.23 |
19.05 |
4 |
152.40 |
127.00 |
1.52 |
3.88 |
|
3.1/2 |
215.90 |
103.38 |
23.88 |
31.75 |
122.17 |
31.75 |
19.05 |
8 |
177.80 |
139.70 |
1.52 |
4.84 |
|
4 |
228.60 |
116.08 |
23.88 |
33.27 |
134.87 |
33.27 |
19.05 |
8 |
190.50 |
157.23 |
1.52 |
5.32 |
|
5 |
254.00 |
143.76 |
23.88 |
36.58 |
163.58 |
36.58 |
22.35 |
8 |
215.90 |
185.67 |
1.52 |
6.10 |
|
6 |
279.40 |
170.69 |
25.40 |
39.62 |
192.02 |
39.62 |
22.35 |
8 |
241.30 |
215.90 |
1.52 |
7.46 |
|
8 |
342.90 |
221.49 |
28.45 |
44.45 |
246.13 |
44.45 |
22.35 |
8 |
298.45 |
269.75 |
1.52 |
12.07 |
|
10 |
406.40 |
276.35 |
30.23 |
49.28 |
304.80 |
49.28 |
25.40 |
12 |
361.95 |
323.85 |
1.52 |
16.56 |
|
12 |
482.60 |
327.15 |
31.75 |
55.63 |
365.25 |
55.63 |
25.40 |
12 |
431.80 |
381.00 |
1.52 |
26.26 |
|
14 |
533.40 |
359.16 |
35.05 |
57.15 |
400.05 |
57.15 |
28.45 |
12 |
476.25 |
412.75 |
1.52 |
34.76 |
|
16 |
596.90 |
410.46 |
36.58 |
63.50 |
457.20 |
63.50 |
28.45 |
16 |
539.75 |
469.90 |
1.52 |
45.02 |
|
18 |
635.00 |
461.77 |
39.62 |
68.33 |
504.95 |
68.33 |
31.75 |
16 |
577.85 |
533.40 |
1.52 |
48.90 |
|
20 |
698.50 |
513.08 |
42.93 |
73.15 |
558.80 |
73.15 |
31.75 |
20 |
635.00 |
584.20 |
1.52 |
62.07 |
|
24 |
812.80 |
615.95 |
47.75 |
82.55 |
663.45 |
82.55 |
35.05 |
20 |
749.30 |
692.15 |
1.52 |
87.13 |
THREADED RF (CLASS 300)
|
INCH |
D |
B2 |
t |
T2 |
X |
Q |
h |
No |
K |
G |
f |
KG |
|
1/2 |
95.25 |
22.35 |
14.22 |
22.35 |
38.10 |
15.75 |
15.75 |
4 |
66.55 |
35.05 |
1.52 |
0.65 |
|
3/4 |
117.35 |
27.69 |
15.75 |
25.40 |
47.75 |
15.75 |
19.05 |
4 |
82.55 |
42.93 |
1.52 |
1.11 |
|
1 |
123.95 |
34.54 |
17.53 |
26.92 |
53.85 |
17.53 |
19.05 |
4 |
88.90 |
50.80 |
1.52 |
1.37 |
|
1.1/4 |
133.35 |
43.18 |
19.05 |
26.92 |
63.50 |
20.57 |
19.05 |
4 |
98.55 |
63.50 |
1.52 |
1.69 |
|
1.1/2 |
155.45 |
49.53 |
20.57 |
30.23 |
69.85 |
22.35 |
22.35 |
4 |
114.30 |
73.15 |
1.52 |
2.49 |
|
2 |
165.10 |
61.98 |
22.35 |
33.27 |
84.07 |
28.45 |
19.05 |
8 |
127.00 |
91.95 |
1.52 |
2.89 |
|
2.1/2 |
190.50 |
74.68 |
25.40 |
38.10 |
100.08 |
31.75 |
22.35 |
8 |
149.35 |
104.65 |
1.52 |
4.33 |
|
3 |
209.55 |
90.68 |
28.45 |
42.93 |
117.35 |
31.75 |
22.35 |
8 |
168.15 |
127.00 |
1.52 |
5.83 |
|
3.1/2 |
228.60 |
103.38 |
30.23 |
44.45 |
133.35 |
36.58 |
22.35 |
8 |
184.15 |
139.70 |
1.52 |
7.36 |
|
4 |
254.00 |
116.08 |
31.75 |
47.75 |
146.05 |
36.58 |
22.35 |
8 |
200.15 |
157.23 |
1.52 |
9.65 |
|
5 |
279.40 |
143.76 |
35.05 |
50.80 |
177.80 |
42.93 |
22.35 |
8 |
234.95 |
185.67 |
1.52 |
12.23 |
|
6 |
317.50 |
170.69 |
36.58 |
52.32 |
206.25 |
45.97 |
22.35 |
12 |
269.75 |
215.90 |
1.52 |
15.6 |
|
8 |
381.00 |
221.49 |
41.15 |
61.98 |
260.35 |
50.80 |
25.40 |
12 |
330.20 |
269.75 |
1.52 |
24.22 |
|
10 |
444.50 |
276.35 |
47.75 |
66.55 |
320.55 |
55.63 |
28.45 |
16 |
387.35 |
323.85 |
1.52 |
34.18 |
|
12 |
520.70 |
327.15 |
50.80 |
73.15 |
374.65 |
60.45 |
31.75 |
16 |
450.85 |
381.00 |
1.52 |
49.91 |
|
14 |
584.20 |
359.16 |
53.85 |
76.20 |
425.45 |
63.50 |
31.75 |
20 |
514.35 |
412.75 |
1.52 |
69.54 |
|
16 |
647.70 |
410.46 |
57.15 |
82.55 |
482.60 |
68.33 |
35.05 |
20 |
571.50 |
469.90 |
1.52 |
88.25 |
|
18 |
711.20 |
461.77 |
60.45 |
88.90 |
533.40 |
69.85 |
35.05 |
24 |
628.65 |
533.40 |
1.52 |
108.76 |
|
20 |
774.70 |
513.08 |
63.50 |
95.25 |
587.25 |
73.15 |
35.05 |
24 |
685.80 |
584.20 |
1.52 |
134.18 |
|
24 |
914.40 |
615.95 |
69.85 |
106.43 |
701.55 |
82.55 |
41.15 |
24 |
812.80 |
692.15 |
1.52 |
201.66 |
THREADED RF (CLASS 600)
|
INCH |
D |
B2 |
t |
T2 |
X |
Q |
h |
No |
K |
G |
f |
KG |
|
1/2 |
95.25 |
22.35 |
14.22 |
22.35 |
38.10 |
15.75 |
15.75 |
4 |
66.55 |
35.05 |
6.35 |
0.74 |
|
3/4 |
117.35 |
27.69 |
15.75 |
25.40 |
47.75 |
15.75 |
19.05 |
4 |
82.55 |
42.93 |
6.35 |
1.25 |
|
1 |
123.95 |
34.54 |
17.53 |
26.92 |
53.85 |
17.53 |
19.05 |
4 |
88.90 |
50.80 |
6.35 |
1.53 |
|
1.1/4 |
133.35 |
43.18 |
20.57 |
28.45 |
63.50 |
20.57 |
19.05 |
4 |
98.55 |
63.50 |
6.35 |
2.02 |
|
1.1/2 |
155.45 |
49.53 |
22.35 |
31.75 |
69.85 |
22.35 |
22.35 |
4 |
114.30 |
73.15 |
6.35 |
2.97 |
|
2 |
165.10 |
61.98 |
25.40 |
36.58 |
84.07 |
28.45 |
19.05 |
8 |
127.00 |
91.95 |
6.35 |
3.62 |
|
2.1/2 |
190.50 |
74.68 |
28.45 |
41.15 |
100.08 |
31.75 |
22.35 |
8 |
149.35 |
104.65 |
6.35 |
5.24 |
|
3 |
209.55 |
90.68 |
31.75 |
45.97 |
117.35 |
35.05 |
22.35 |
8 |
168.15 |
127.00 |
6.35 |
7.00 |
|
3.1/2 |
228.60 |
103.38 |
35.05 |
49.28 |
133.35 |
39.62 |
25.40 |
8 |
184.15 |
139.70 |
6.35 |
8.84 |
|
4 |
273.05 |
116.08 |
38.10 |
53.85 |
152.40 |
41.15 |
25.40 |
8 |
215.90 |
157.23 |
6.35 |
14.52 |
|
5 |
330.20 |
143.76 |
44.45 |
60.45 |
188.98 |
47.75 |
28.45 |
8 |
266.70 |
185.67 |
6.35 |
24.47 |
|
6 |
355.60 |
170.69 |
47.75 |
66.55 |
222.25 |
50.80 |
28.45 |
12 |
292.10 |
215.90 |
6.35 |
28.82 |
|
8 |
419.10 |
221.49 |
55.63 |
76.20 |
273.05 |
57.15 |
31.75 |
12 |
349.25 |
269.75 |
6.35 |
43.43 |
|
10 |
508.00 |
276.35 |
63.50 |
85.85 |
342.90 |
65.02 |
35.05 |
16 |
431.80 |
323.85 |
6.35 |
70.23 |
|
12 |
558.80 |
327.15 |
66.55 |
91.95 |
400.05 |
69.85 |
35.05 |
20 |
488.95 |
381.00 |
6.35 |
83.92 |
|
14 |
603.25 |
359.16 |
69.85 |
93.73 |
431.80 |
60.45 |
38.10 |
20 |
527.05 |
412.75 |
6.35 |
98.74 |
|
16 |
685.80 |
410.46 |
76.20 |
106.43 |
495.30 |
77.72 |
41.15 |
20 |
603.25 |
469.90 |
6.35 |
142.27 |
|
18 |
742.95 |
461.77 |
82.55 |
117.35 |
546.10 |
79.25 |
44.45 |
20 |
654.05 |
533.40 |
6.35 |
173.32 |
|
20 |
812.80 |
513.08 |
88.90 |
127.00 |
609.60 |
82.55 |
44.45 |
24 |
723.90 |
584.20 |
6.35 |
220.33 |
|
24 |
939.80 |
615.95 |
101.60 |
139.70 |
717.55 |
91.95 |
50.80 |
24 |
838.20 |
692.15 |
6.35 |
312.53 |
THREADED RF (CLASS 900)
|
INCH |
D |
B2 |
t |
T2 |
X |
Q |
h |
No |
K |
G |
f |
KG |
|
1/2 |
120.65 |
22.35 |
22.35 |
31.75 |
38.10 |
22.35 |
22.35 |
4 |
82.55 |
35.05 |
6.35 |
1.75 |
|
3/4 |
130.05 |
27.69 |
25.40 |
35.05 |
44.45 |
25.40 |
22.35 |
4 |
88.90 |
42.93 |
6.35 |
2.33 |
|
1 |
149.35 |
34.54 |
28.45 |
41.15 |
52.32 |
28.45 |
25.40 |
4 |
101.60 |
50.80 |
6.35 |
3.43 |
|
1.1/4 |
158.75 |
43.18 |
28.45 |
41.15 |
63.50 |
30.23 |
25.40 |
4 |
111.25 |
63.50 |
6.35 |
3.90 |
|
1.1/2 |
177.80 |
49.53 |
31.75 |
44.45 |
69.85 |
31.75 |
28.45 |
4 |
123.95 |
73.15 |
6.35 |
5.38 |
|
2 |
215.90 |
61.98 |
38.10 |
57.15 |
104.65 |
38.10 |
25.40 |
8 |
165.10 |
91.95 |
6.35 |
9.85 |
|
2.1/2 |
244.35 |
74.68 |
41.15 |
63.50 |
123.95 |
47.75 |
28.45 |
8 |
190.50 |
104.65 |
6.35 |
13.65 |
|
3 |
241.30 |
90.68 |
38.10 |
53.85 |
127.00 |
41.15 |
25.40 |
8 |
190.50 |
127.00 |
6.35 |
11.61 |
|
4 |
292.10 |
116.08 |
44.45 |
69.85 |
158.75 |
47.75 |
31.75 |
8 |
234.95 |
157.23 |
6.35 |
19.76 |
|
5 |
349.25 |
143.76 |
50.80 |
79.25 |
190.50 |
53.85 |
35.05 |
8 |
279.40 |
185.67 |
6.35 |
31.93 |
|
6 |
381.00 |
170.69 |
55.63 |
85.85 |
234.95 |
57.15 |
31.75 |
12 |
317.50 |
215.90 |
6.35 |
41.19 |
|
8 |
469.90 |
221.49 |
63.50 |
101.60 |
298.45 |
63.50 |
38.10 |
12 |
393.70 |
269.75 |
6.35 |
70.75 |
|
10 |
546.10 |
276.35 |
69.85 |
107.95 |
368.30 |
71.37 |
38.10 |
16 |
469.90 |
323.85 |
6.35 |
100.58 |
|
12 |
609.60 |
327.15 |
79.25 |
117.35 |
419.10 |
76.20 |
38.10 |
20 |
533.40 |
381.00 |
6.35 |
132.70 |
|
14 |
641.35 |
359.16 |
85.85 |
130.05 |
450.85 |
82.55 |
41.15 |
20 |
558.80 |
412.75 |
6.35 |
153.37 |
|
16 |
704.85 |
410.46 |
88.90 |
133.35 |
508.00 |
85.85 |
44.45 |
20 |
615.95 |
469.90 |
6.35 |
184.90 |
|
18 |
787.40 |
461.77 |
101.60 |
152.40 |
565.15 |
88.90 |
50.80 |
20 |
685.80 |
533.40 |
6.35 |
258.51 |
|
20 |
857.25 |
513.08 |
107.95 |
158.75 |
622.30 |
91.95 |
53.85 |
20 |
749.30 |
584.20 |
6.35 |
317.19 |
|
24 |
1041.40 |
615.95 |
139.70 |
203.20 |
749.30 |
101.60 |
66.55 |
20 |
901.70 |
692.15 |
6.35 |
606.21 |
THREADED RF (CLASS 1500)
|
INCH |
D |
B2 |
t |
T2 |
X |
Q |
h |
No |
K |
G |
f |
KG |
|
1/2 |
120.65 |
22.35 |
22.35 |
31.75 |
38.10 |
22.35 |
22.35 |
4 |
82.55 |
35.05 |
6.35 |
1.75 |
|
3/4 |
130.05 |
27.69 |
25.40 |
35.05 |
44.45 |
25.40 |
22.35 |
4 |
88.90 |
42.93 |
6.35 |
2.33 |
|
1 |
149.35 |
34.54 |
28.45 |
41.15 |
52.32 |
28.45 |
25.40 |
4 |
101.60 |
50.80 |
6.35 |
3.43 |
|
1.1/4 |
158.75 |
43.18 |
28.45 |
41.15 |
63.50 |
30.23 |
25.40 |
4 |
111.25 |
63.50 |
6.35 |
3.90 |
|
1.1/2 |
177.80 |
49.53 |
31.75 |
44.45 |
69.85 |
31.75 |
28.45 |
4 |
123.95 |
73.15 |
6.35 |
5.38 |
|
2 |
215.90 |
61.98 |
38.10 |
57.15 |
104.65 |
38.10 |
25.40 |
8 |
165.10 |
91.95 |
6.35 |
9.85 |
|
2.1/2 |
244.35 |
74.68 |
41.15 |
63.50 |
123.95 |
47.75 |
28.45 |
8 |
190.50 |
104.65 |
6.35 |
13.65 |
|
3 |
266.70 |
90.68 |
47.75 |
73.15 |
133.35 |
50.80 |
31.75 |
8 |
203.20 |
127.00 |
6.35 |
17.95 |
|
4 |
311.15 |
116.08 |
53.85 |
90.42 |
162.05 |
57.15 |
35.05 |
8 |
241.30 |
157.23 |
6.35 |
27.73 |
|
5 |
374.65 |
143.76 |
73.15 |
104.65 |
196.85 |
63.50 |
41.15 |
8 |
292.10 |
185.67 |
6.35 |
51.93 |
|
6 |
393.70 |
170.69 |
82.55 |
119.13 |
228.60 |
69.85 |
38.10 |
12 |
317.50 |
215.90 |
6.35 |
61.09 |
|
8 |
482.60 |
221.49 |
91.95 |
142.75 |
292.10 |
76.20 |
44.45 |
12 |
393.70 |
269.75 |
6.35 |
103.07 |
|
10 |
584.20 |
276.35 |
107.95 |
158.75 |
368.30 |
84.07 |
50.80 |
12 |
482.60 |
323.85 |
6.35 |
175.39 |
|
12 |
673.10 |
327.15 |
123.95 |
180.85 |
450.85 |
91.95 |
53.85 |
16 |
571.50 |
381.00 |
6.35 |
264.24 |
THREADED RF (CLASS 2500)
|
INCH |
D |
B2 |
t |
T2 |
X |
Q |
h |
No |
K |
G |
f |
KG |
|
1/2 |
133.35 |
22.35 |
30.23 |
39.62 |
42.93 |
28.45 |
22.35 |
4 |
88.90 |
35.05 |
6.35 |
2.96 |
|
3/4 |
139.70 |
27.69 |
31.75 |
42.93 |
50.80 |
31.75 |
22.35 |
4 |
95.25 |
42.93 |
6.35 |
3.45 |
|
1 |
158.75 |
34.54 |
35.05 |
47.75 |
57.15 |
35.05 |
25.40 |
4 |
107.95 |
50.80 |
6.35 |
4.85 |
|
1.1/4 |
184.15 |
43.18 |
38.10 |
52.32 |
73.15 |
38.10 |
28.45 |
4 |
130.05 |
63.50 |
6.35 |
7.16 |
|
1.1/2 |
203.20 |
49.53 |
44.45 |
60.45 |
79.25 |
44.45 |
31.75 |
4 |
146.05 |
73.15 |
6.35 |
10.03 |
|
2 |
234.95 |
61.98 |
50.80 |
69.85 |
95.25 |
50.80 |
28.45 |
8 |
171.45 |
91.95 |
6.35 |
14.85 |
|
2.1/2 |
266.70 |
74.68 |
57.15 |
79.25 |
114.30 |
57.15 |
31.75 |
8 |
196.85 |
104.65 |
6.35 |
21.49 |
|
3 |
304.80 |
90.68 |
66.55 |
91.95 |
133.35 |
63.50 |
35.05 |
8 |
228.60 |
127.00 |
6.35 |
32.52 |
|
4 |
355.60 |
116.08 |
76.20 |
107.95 |
165.10 |
69.85 |
41.15 |
8 |
273.05 |
157.23 |
6.35 |
49.85 |
|
5 |
419.10 |
143.76 |
91.95 |
130.05 |
203.20 |
76.20 |
47.75 |
8 |
323.85 |
185.67 |
6.35 |
82.90 |
|
6 |
482.60 |
170.69 |
107.95 |
152.40 |
234.95 |
82.55 |
53.85 |
8 |
368.30 |
215.90 |
6.35 |
128.01 |
|
8 |
552.45 |
221.49 |
127.00 |
177.80 |
304.80 |
95.25 |
53.85 |
12 |
438.15 |
269.75 |
6.35 |
187.97 |
|
10 |
673.10 |
276.35 |
165.10 |
228.60 |
374.65 |
107.95 |
66.55 |
12 |
539.75 |
323.85 |
6.35 |
355.51 |
|
12 |
762.00 |
327.15 |
184.15 |
254.00 |
441.45 |
120.65 |
73.15 |
12 |
619.25 |
381.00 |
6.35 |
504.15 |
结构图
LAP JOINT (CLASS 150)
|
INCH |
D |
B3 |
t |
T3 |
X |
h |
No |
K |
R |
KG |
|
1/2 |
88.90 |
22.86 |
11.18 |
15.75 |
30.23 |
15.75 |
4 |
60.45 |
3.05 |
0.45 |
|
3/4 |
98.55 |
28.19 |
12.70 |
15.75 |
38.10 |
15.75 |
4 |
69.85 |
3.05 |
0.63 |
|
1 |
107.95 |
35.05 |
14.22 |
17.53 |
49.28 |
15.75 |
4 |
79.25 |
3.05 |
0.85 |
|
1.1/4 |
117.35 |
43.69 |
15.75 |
20.57 |
58.67 |
15.75 |
4 |
88.90 |
4.83 |
1.10 |
|
1.1/2 |
127.00 |
50.04 |
17.53 |
22.35 |
65.02 |
15.75 |
4 |
98.55 |
6.35 |
1.42 |
|
2 |
152.40 |
62.48 |
19.05 |
25.40 |
77.72 |
19.05 |
4 |
120.65 |
7.87 |
2.18 |
|
2.1/2 |
177.80 |
75.44 |
22.35 |
28.45 |
90.42 |
19.05 |
4 |
139.70 |
7.87 |
3.47 |
|
3 |
190.50 |
91.44 |
23.88 |
30.23 |
107.95 |
19.05 |
4 |
152.40 |
9.65 |
4.03 |
|
3.1/2 |
215.90 |
104.14 |
23.88 |
31.75 |
122.17 |
19.05 |
8 |
177.80 |
9.65 |
5.04 |
|
4 |
228.60 |
116.84 |
23.88 |
33.27 |
134.87 |
19.05 |
8 |
190.50 |
11.18 |
5.52 |
|
5 |
254.00 |
144.53 |
23.88 |
36.58 |
163.58 |
22.35 |
8 |
215.90 |
11.18 |
6.29 |
|
6 |
279.40 |
171.45 |
25.40 |
39.62 |
192.02 |
22.35 |
8 |
241.30 |
12.70 |
7.65 |
|
8 |
342.90 |
222.25 |
28.45 |
44.45 |
246.13 |
22.35 |
8 |
298.45 |
12.70 |
12.36 |
|
10 |
406.40 |
277.37 |
30.23 |
49.28 |
304.80 |
25.40 |
12 |
361.95 |
12.70 |
16.88 |
|
12 |
482.60 |
328.17 |
31.75 |
55.63 |
365.25 |
25.40 |
12 |
431.80 |
12.70 |
26.78 |
|
14 |
533.40 |
360.17 |
35.05 |
79.25 |
400.05 |
28.45 |
12 |
476.25 |
12.70 |
39.61 |
|
16 |
596.90 |
411.23 |
36.58 |
87.38 |
457.20 |
28.45 |
16 |
539.75 |
12.70 |
51.80 |
|
18 |
635.00 |
462.28 |
39.62 |
96.77 |
504.95 |
31.75 |
16 |
577.85 |
12.70 |
56.90 |
|
20 |
698.50 |
514.35 |
42.93 |
103.12 |
558.80 |
31.75 |
20 |
635.00 |
12.70 |
71.48 |
|
24 |
812.80 |
615.95 |
47.75 |
111.25 |
663.45 |
35.05 |
20 |
749.30 |
12.70 |
99.36 |
LAP JOINT (CLASS 300)
|
INCH |
D |
B3 |
t |
T3 |
X |
h |
No |
K |
R |
Kg |
|
1/2 |
95.25 |
22.86 |
14.22 |
22.35 |
38.10 |
15.75 |
4 |
66.55 |
3.05 |
0.71 |
|
3/4 |
117.35 |
28.19 |
15.75 |
25.40 |
47.75 |
19.05 |
4 |
82.55 |
3.05 |
1.21 |
|
1 |
123.95 |
35.05 |
17.53 |
26.92 |
53.85 |
19.05 |
4 |
88.90 |
3.05 |
1.47 |
|
1.1/4 |
133.35 |
43.69 |
19.05 |
26.92 |
63.50 |
19.05 |
4 |
98.55 |
4.83 |
1.80 |
|
1.1/2 |
155.45 |
50.04 |
20.57 |
30.23 |
69.85 |
22.35 |
4 |
114.30 |
6.35 |
2.64 |
|
2 |
165.10 |
62.48 |
22.35 |
33.27 |
84.07 |
19.05 |
8 |
127.00 |
7.87 |
3.03 |
|
2.1/2 |
190.50 |
75.44 |
25.40 |
38.10 |
100.08 |
22.35 |
8 |
149.35 |
7.87 |
4.50 |
|
3 |
209.55 |
91.44 |
28.45 |
42.93 |
117.35 |
22.35 |
8 |
168.15 |
9.65 |
6.02 |
|
3.1/2 |
228.60 |
104.14 |
30.23 |
44.45 |
133.35 |
22.35 |
8 |
184.15 |
9.65 |
7.58 |
|
4 |
254.00 |
116.84 |
31.75 |
47.75 |
146.05 |
22.35 |
8 |
200.15 |
11.18 |
9.93 |
|
5 |
279.40 |
144.53 |
35.05 |
50.80 |
177.80 |
22.35 |
8 |
234.95 |
11.18 |
12.53 |
|
6 |
317.50 |
171.45 |
36.58 |
52.32 |
206.25 |
22.35 |
12 |
269.75 |
12.70 |
16.03 |
|
8 |
381.00 |
222.25 |
41.15 |
61.98 |
260.35 |
25.40 |
12 |
330.20 |
12.70 |
24.69 |
|
10 |
444.50 |
277.37 |
47.75 |
95.25 |
320.55 |
28.45 |
16 |
387.35 |
12.70 |
39.27 |
|
12 |
520.70 |
328.17 |
50.80 |
101.60 |
374.65 |
31.75 |
16 |
450.85 |
12.70 |
56.37 |
|
14 |
584.20 |
360.17 |
53.85 |
111.25 |
425.45 |
31.75 |
20 |
514.35 |
12.70 |
81.70 |
|
16 |
647.70 |
411.23 |
57.15 |
120.65 |
482.60 |
35.05 |
20 |
571.50 |
12.70 |
104.55 |
|
18 |
711.20 |
462.28 |
60.45 |
130.05 |
533.40 |
35.05 |
24 |
628.65 |
12.70 |
128.26 |
|
20 |
774.70 |
514.35 |
63.50 |
139.70 |
587.25 |
35.05 |
24 |
685.80 |
12.70 |
157.57 |
|
24 |
914.40 |
615.95 |
69.85 |
152.40 |
701.55 |
41.15 |
24 |
812.80 |
12.70 |
236.59 |
LAP JOINT (CLASS 600)
|
INCH |
D |
B3 |
t |
T3 |
X |
h |
No |
K |
R |
KG |
|
1/2 |
95.25 |
22.86 |
14.22 |
22.35 |
38.10 |
15.75 |
4 |
66.55 |
3.05 |
0.71 |
|
3/4 |
117.35 |
28.19 |
15.75 |
25.40 |
47.75 |
19.05 |
4 |
82.55 |
3.05 |
1.21 |
|
1 |
123.95 |
35.05 |
17.53 |
26.92 |
53.85 |
19.05 |
4 |
88.90 |
3.05 |
1.47 |
|
1.1/4 |
133.35 |
43.69 |
20.57 |
28.45 |
63.50 |
19.05 |
4 |
98.55 |
4.83 |
1.93 |
|
1.1/2 |
155.45 |
50.04 |
22.35 |
31.75 |
69.85 |
22.35 |
4 |
114.30 |
6.35 |
2.85 |
|
2 |
165.10 |
62.48 |
25.40 |
36.58 |
84.07 |
19.05 |
8 |
127.00 |
7.87 |
3.42 |
|
2.1/2 |
190.50 |
75.44 |
28.45 |
41.15 |
100.08 |
22.35 |
8 |
149.35 |
7.87 |
5.00 |
|
3 |
209.55 |
91.44 |
31.75 |
45.97 |
117.35 |
22.35 |
8 |
168.15 |
9.65 |
6.65 |
|
3.1/2 |
228.60 |
104.14 |
35.05 |
49.28 |
133.35 |
25.40 |
8 |
184.15 |
9.65 |
8.44 |
|
4 |
273.05 |
116.84 |
38.10 |
53.85 |
152.40 |
25.40 |
8 |
215.90 |
11.18 |
14.02 |
|
5 |
330.20 |
144.53 |
44.45 |
60.45 |
188.98 |
28.45 |
8 |
266.70 |
11.18 |
23.84 |
|
6 |
355.60 |
171.45 |
47.75 |
66.55 |
222.25 |
28.45 |
12 |
292.10 |
12.70 |
28.03 |
|
8 |
419.10 |
222.25 |
55.63 |
76.20 |
273.05 |
31.75 |
12 |
349.25 |
12.70 |
42.34 |
|
10 |
508.00 |
277.37 |
63.50 |
111.25 |
342.90 |
35.05 |
16 |
431.80 |
12.70 |
75.18 |
|
12 |
558.80 |
328.17 |
66.55 |
117.35 |
400.05 |
35.05 |
20 |
488.95 |
12.70 |
90.25 |
|
14 |
603.25 |
360.17 |
69.85 |
127.00 |
431.80 |
38.10 |
20 |
527.05 |
12.70 |
108.34 |
|
16 |
685.80 |
411.23 |
76.20 |
139.70 |
495.30 |
41.15 |
20 |
603.25 |
12.70 |
155.44 |
|
18 |
742.95 |
462.28 |
82.55 |
152.40 |
546.10 |
44.45 |
20 |
654.05 |
12.70 |
188.45 |
|
20 |
812.80 |
514.35 |
88.90 |
165.10 |
609.60 |
44.45 |
24 |
723.90 |
12.70 |
241.40 |
|
24 |
939.80 |
615.95 |
101.60 |
184.15 |
717.55 |
50.80 |
24 |
838.20 |
12.70 |
345.76 |
LAP JOINT (CLASS 900)
|
INCH |
D |
B3 |
t |
T3 |
X |
h |
No |
K |
R |
KG |
|
1/2 |
120.65 |
22.86 |
22.35 |
31.75 |
38.10 |
22.35 |
4 |
82.55 |
3.05 |
1.71 |
|
3/4 |
130.05 |
28.19 |
25.40 |
35.05 |
44.45 |
22.35 |
4 |
88.90 |
3.05 |
2.28 |
|
1 |
149.35 |
35.05 |
28.45 |
41.15 |
52.32 |
25.40 |
4 |
101.60 |
3.05 |
3.36 |
|
1.1/4 |
158.75 |
43.69 |
28.45 |
41.15 |
63.50 |
25.40 |
4 |
111.25 |
4.83 |
3.80 |
|
1.1/2 |
177.80 |
50.04 |
31.75 |
44.45 |
69.85 |
28.45 |
4 |
123.95 |
6.35 |
5.25 |
|
2 |
215.90 |
62.48 |
38.10 |
57.15 |
104.65 |
25.40 |
8 |
165.10 |
7.87 |
9.65 |
|
2.1/2 |
244.35 |
75.44 |
41.15 |
63.50 |
123.95 |
28.45 |
8 |
190.50 |
7.87 |
13.39 |
|
3 |
241.30 |
91.44 |
38.10 |
53.85 |
127.00 |
25.40 |
8 |
190.50 |
9.65 |
11.26 |
|
4 |
292.10 |
116.84 |
44.45 |
69.85 |
158.75 |
31.75 |
8 |
234.95 |
11.18 |
19.24 |
|
5 |
349.25 |
144.53 |
50.80 |
79.25 |
190.50 |
35.05 |
8 |
279.40 |
11.18 |
31.28 |
|
6 |
381.00 |
171.45 |
55.63 |
85.85 |
234.95 |
31.75 |
12 |
317.50 |
12.70 |
40.36 |
|
8 |
469.90 |
222.25 |
63.50 |
114.30 |
298.45 |
38.10 |
12 |
393.70 |
12.70 |
72.71 |
|
10 |
546.10 |
277.37 |
69.85 |
127.00 |
368.30 |
38.10 |
16 |
469.90 |
12.70 |
105.98 |
|
12 |
609.60 |
328.17 |
79.25 |
142.75 |
419.10 |
38.10 |
20 |
533.40 |
12.70 |
141.37 |
|
14 |
641.35 |
360.17 |
85.85 |
155.45 |
450.85 |
41.15 |
20 |
558.80 |
12.70 |
162.69 |
|
16 |
704.85 |
411.23 |
88.90 |
165.10 |
508.00 |
44.45 |
20 |
615.95 |
12.70 |
199.75 |
|
18 |
787.40 |
462.28 |
101.60 |
190.50 |
565.15 |
50.80 |
20 |
685.80 |
12.70 |
280.10 |
|
20 |
857.25 |
514.35 |
107.95 |
209.55 |
622.30 |
53.85 |
20 |
749.30 |
12.70 |
351.28 |
|
24 |
1041.40 |
615.95 |
139.70 |
266.70 |
749.30 |
66.55 |
20 |
901.70 |
12.70 |
673.58 |
LAP JOINT (CLASS 1500)
|
INCH |
D |
B3 |
t |
T3 |
X |
h |
No |
K |
R |
Kg |
|
1/2 |
120.65 |
22.86 |
22.35 |
31.75 |
38.10 |
22.35 |
4 |
82.55 |
3.05 |
1.71 |
|
3/4 |
130.05 |
28.19 |
25.40 |
35.05 |
44.45 |
22.35 |
4 |
88.90 |
3.05 |
2.28 |
|
1 |
149.35 |
35.05 |
28.45 |
41.15 |
52.32 |
25.40 |
4 |
101.60 |
3.05 |
3.36 |
|
1.1/4 |
158.75 |
43.69 |
28.45 |
41.15 |
63.50 |
25.40 |
4 |
111.25 |
4.83 |
3.8 |
|
1.1/2 |
177.80 |
50.04 |
31.75 |
44.45 |
69.85 |
28.45 |
4 |
123.95 |
6.35 |
5.2 |
|
2 |
215.90 |
62.48 |
38.10 |
57.15 |
104.65 |
25.40 |
8 |
165.10 |
7.87 |
9.65 |
|
2.1/2 |
244.35 |
75.44 |
41.15 |
63.50 |
123.95 |
28.45 |
8 |
190.50 |
7.87 |
13.39 |
|
3 |
266.70 |
91.44 |
47.75 |
73.15 |
133.35 |
31.75 |
8 |
203.20 |
9.65 |
17.5 |
|
4 |
311.15 |
116.84 |
53.85 |
90.42 |
162.05 |
35.05 |
8 |
241.30 |
11.18 |
27.19 |
|
5 |
374.65 |
144.53 |
73.15 |
104.65 |
196.85 |
41.15 |
8 |
292.10 |
11.18 |
51.2 |
|
6 |
393.70 |
171.45 |
82.55 |
119.13 |
228.60 |
38.10 |
12 |
317.50 |
12.70 |
60.22 |
|
8 |
482.60 |
222.25 |
91.95 |
142.75 |
292.10 |
44.45 |
12 |
393.70 |
12.70 |
101.84 |
|
10 |
584.20 |
277.37 |
107.95 |
177.80 |
368.30 |
50.80 |
12 |
482.60 |
12.70 |
180.62 |
|
12 |
673.10 |
328.17 |
123.95 |
218.95 |
450.85 |
53.85 |
16 |
571.50 |
12.70 |
284.45 |
|
14 |
749.30 |
360.17 |
133.35 |
241.30 |
495.30 |
60.45 |
16 |
635.00 |
12.70 |
383.82 |
|
16 |
825.50 |
411.23 |
146.05 |
260.35 |
552.45 |
66.55 |
16 |
704.85 |
12.70 |
493.43 |
|
18 |
914.40 |
462.28 |
162.05 |
276.35 |
596.90 |
73.15 |
16 |
774.70 |
12.70 |
636.81 |
|
20 |
984.25 |
514.35 |
177.80 |
292.10 |
641.35 |
79.25 |
16 |
831.85 |
12.70 |
765.21 |
|
24 |
1168.40 |
615.95 |
203.20 |
330.20 |
762.00 |
91.95 |
16 |
990.60 |
12.70 |
1223.07 |
LAP JOINT (CLASS 2500)
|
INCH |
D |
B3 |
t |
T3 |
X |
h |
No |
K |
R |
KG |
|
1/2 |
133.35 |
22.86 |
30.23 |
39.62 |
42.93 |
22.35 |
4 |
88.90 |
3.05 |
2.92 |
|
3/4 |
139.70 |
28.19 |
31.75 |
42.93 |
50.80 |
22.35 |
4 |
95.25 |
3.05 |
3.40 |
|
1 |
158.75 |
35.05 |
35.05 |
47.75 |
57.15 |
25.40 |
4 |
107.95 |
3.05 |
4.78 |
|
1.1/4 |
184.15 |
43.69 |
38.10 |
52.32 |
73.15 |
28.45 |
4 |
130.05 |
4.83 |
7.06 |
|
1.1/2 |
203.20 |
50.04 |
44.45 |
60.45 |
79.25 |
31.75 |
4 |
146.05 |
6.35 |
9.90 |
|
2 |
234.95 |
62.48 |
50.80 |
69.85 |
95.25 |
28.45 |
8 |
171.45 |
7.87 |
14.65 |
|
2.1/2 |
266.70 |
75.44 |
57.15 |
79.25 |
114.30 |
31.75 |
8 |
196.85 |
7.87 |
21.22 |
|
3 |
304.80 |
91.44 |
66.55 |
91.95 |
133.35 |
35.05 |
8 |
228.60 |
9.65 |
32.13 |
|
4 |
355.60 |
116.84 |
76.20 |
107.95 |
165.10 |
41.15 |
8 |
273.05 |
11.18 |
49.2 |
|
5 |
419.10 |
144.53 |
91.95 |
130.05 |
203.20 |
47.75 |
8 |
323.85 |
11.18 |
82.18 |
|
6 |
482.60 |
171.45 |
107.95 |
152.40 |
234.95 |
53.85 |
8 |
368.30 |
12.70 |
127.08 |
|
8 |
552.45 |
222.25 |
127.00 |
177.80 |
304.80 |
53.85 |
12 |
438.15 |
12.70 |
186.68 |
|
10 |
673.10 |
277.37 |
165.10 |
228.60 |
374.65 |
66.55 |
12 |
539.75 |
12.70 |
353.60 |
|
12 |
762.00 |
328.17 |
184.15 |
254.00 |
441.45 |
73.15 |
12 |
619.25 |
12.70 |
501.61 |
结构图
BLIND RF (CLASS 150)
|
INCH |
D |
t |
h |
No |
K |
G |
f |
KG |
|
1/2 |
88.90 |
11.18 |
15.75 |
4 |
60.45 |
35.05 |
1.52 |
0.42 |
|
3/4 |
98.55 |
12.70 |
15.75 |
4 |
69.85 |
42.93 |
1.52 |
0.62 |
|
1 |
107.95 |
14.22 |
15.75 |
4 |
79.25 |
50.80 |
1.52 |
0.86 |
|
1.1/4 |
117.35 |
15.75 |
15.75 |
4 |
88.90 |
63.50 |
1.52 |
1.16 |
|
1.1/2 |
127.00 |
17.53 |
15.75 |
4 |
98.55 |
73.15 |
1.52 |
1.54 |
|
2 |
152.40 |
19.05 |
19.05 |
4 |
120.65 |
91.95 |
1.52 |
2.43 |
|
2.1/2 |
177.80 |
22.35 |
19.05 |
4 |
139.70 |
104.65 |
1.52 |
3.98 |
|
3 |
190.50 |
23.88 |
19.05 |
4 |
152.40 |
127.00 |
1.52 |
4.95 |
|
3.1/2 |
215.90 |
23.88 |
19.05 |
8 |
177.80 |
139.70 |
1.52 |
6.21 |
|
4 |
228.60 |
23.88 |
19.05 |
8 |
190.50 |
157.23 |
1.52 |
7.04 |
|
5 |
254.00 |
23.88 |
22.35 |
8 |
215.90 |
185.67 |
1.52 |
8.67 |
|
6 |
279.40 |
25.40 |
22.35 |
8 |
241.30 |
215.90 |
1.52 |
11.34 |
|
8 |
342.90 |
28.45 |
22.35 |
8 |
298.45 |
269.75 |
1.52 |
19.54 |
|
10 |
406.40 |
30.23 |
25.40 |
12 |
361.95 |
323.85 |
1.52 |
28.85 |
|
12 |
482.60 |
31.75 |
25.40 |
12 |
431.80 |
381.00 |
1.52 |
43.33 |
|
14 |
533.40 |
35.05 |
28.45 |
12 |
476.25 |
412.75 |
1.52 |
58.41 |
|
16 |
596.90 |
36.58 |
28.45 |
16 |
539.75 |
469.90 |
1.52 |
76.28 |
|
18 |
635.00 |
39.62 |
31.75 |
16 |
577.85 |
533.40 |
1.52 |
93.60 |
|
20 |
698.50 |
42.93 |
31.75 |
20 |
635.00 |
584.20 |
1.52 |
122.62 |
|
24 |
812.80 |
47.75 |
35.05 |
20 |
749.30 |
692.15 |
1.52 |
185.79 |
BLIND RF (CLASS 300)
|
INCH |
D |
t |
h |
No |
K |
G |
f |
KG |
|
1/2 |
95.25 |
14.22 |
15.75 |
4 |
66.55 |
35.05 |
1.52 |
0.64 |
|
3/4 |
117.35 |
15.75 |
19.05 |
4 |
82.55 |
42.93 |
1.52 |
1.10 |
|
1 |
123.95 |
17.53 |
19.05 |
4 |
88.90 |
50.80 |
1.52 |
1.40 |
|
1.1/4 |
133.35 |
19.05 |
19.05 |
4 |
98.55 |
63.50 |
1.52 |
1.80 |
|
1.1/2 |
155.45 |
20.57 |
22.35 |
4 |
114.30 |
73.15 |
1.52 |
2.65 |
|
2 |
165.10 |
22.35 |
19.05 |
8 |
127.00 |
91.95 |
1.52 |
3.21 |
|
2.1/2 |
190.50 |
25.40 |
22.35 |
8 |
149.35 |
104.65 |
1.52 |
4.86 |
|
3 |
209.55 |
28.45 |
22.35 |
8 |
168.15 |
127.00 |
1.52 |
6.78 |
|
3.1/2 |
228.60 |
30.23 |
22.35 |
8 |
184.15 |
139.70 |
1.52 |
8.73 |
|
4 |
254.00 |
31.75 |
22.35 |
8 |
200.15 |
157.23 |
1.52 |
11.51 |
|
5 |
279.40 |
35.05 |
22.35 |
8 |
234.95 |
185.67 |
1.52 |
15.63 |
|
6 |
317.50 |
36.58 |
22.35 |
12 |
269.75 |
215.90 |
1.52 |
20.93 |
|
8 |
381.00 |
41.15 |
25.40 |
12 |
330.20 |
269.75 |
1.52 |
34.26 |
|
10 |
444.50 |
47.75 |
28.45 |
16 |
387.35 |
323.85 |
1.52 |
53.61 |
|
12 |
520.70 |
50.80 |
31.75 |
16 |
450.85 |
381.00 |
1.52 |
78.84 |
|
14 |
584.20 |
53.85 |
31.75 |
20 |
514.35 |
412.75 |
1.52 |
105.20 |
|
16 |
647.70 |
57.15 |
35.05 |
20 |
571.50 |
469.90 |
1.52 |
137.53 |
|
18 |
711.20 |
60.45 |
35.05 |
24 |
628.65 |
533.40 |
1.52 |
175.73 |
|
20 |
774.70 |
63.50 |
35.05 |
24 |
685.80 |
584.20 |
1.52 |
221.27 |
|
24 |
914.40 |
69.85 |
41.15 |
24 |
812.80 |
692.15 |
1.52 |
339.61 |
BLIND RF (CLASS 600)
|
INCH |
D |
t |
h |
No |
K |
G |
f |
KG |
|
1/2 |
95.25 |
14.22 |
15.75 |
4 |
66.55 |
35.05 |
6.35 |
0.76 |
|
3/4 |
117.35 |
15.75 |
19.05 |
4 |
82.55 |
42.93 |
6.35 |
1.27 |
|
1 |
123.95 |
17.53 |
19.05 |
4 |
88.90 |
50.80 |
6.35 |
1.60 |
|
1.1/4 |
133.35 |
20.57 |
19.05 |
4 |
98.55 |
63.50 |
6.35 |
2.23 |
|
1.1/2 |
155.45 |
22.35 |
22.35 |
4 |
114.30 |
73.15 |
6.35 |
3.26 |
|
2 |
165.10 |
25.40 |
19.05 |
8 |
127.00 |
91.95 |
6.35 |
4.14 |
|
2.1/2 |
190.50 |
28.45 |
22.35 |
8 |
149.35 |
104.65 |
6.35 |
6.09 |
|
3 |
209.55 |
31.75 |
22.35 |
8 |
168.15 |
127.00 |
6.35 |
8.44 |
|
3.1/2 |
228.60 |
35.05 |
25.40 |
8 |
184.15 |
139.70 |
6.35 |
10.94 |
|
4 |
273.05 |
38.10 |
25.40 |
8 |
215.90 |
157.23 |
6.35 |
17.27 |
|
5 |
330.20 |
44.45 |
28.45 |
8 |
266.70 |
185.67 |
6.35 |
29.46 |
|
6 |
355.60 |
47.75 |
28.45 |
12 |
292.10 |
215.90 |
6.35 |
36.1 |
|
8 |
419.10 |
55.63 |
31.75 |
12 |
349.25 |
269.75 |
6.35 |
58.94 |
|
10 |
508.00 |
63.50 |
35.05 |
16 |
431.80 |
323.85 |
6.35 |
97.44 |
|
12 |
558.80 |
66.55 |
35.05 |
20 |
488.95 |
381.00 |
6.35 |
123.72 |
|
14 |
603.25 |
69.85 |
38.10 |
20 |
527.05 |
412.75 |
6.35 |
150.89 |
|
16 |
685.80 |
76.20 |
41.15 |
20 |
603.25 |
469.90 |
6.35 |
213.69 |
|
18 |
742.95 |
82.55 |
44.45 |
20 |
654.05 |
533.40 |
6.35 |
271.96 |
|
20 |
812.80 |
88.90 |
44.45 |
24 |
723.90 |
584.20 |
6.35 |
349.47 |
|
24 |
939.80 |
101.60 |
50.80 |
24 |
838.20 |
692.15 |
6.35 |
533.21 |
BLIND RF (CLASS 900)
|
INCH |
D |
t |
h |
No |
K |
G |
f |
KG |
|
1/2 |
120.65 |
22.35 |
22.35 |
4 |
82.55 |
35.05 |
6.35 |
1.78 |
|
3/4 |
130.05 |
25.40 |
22.35 |
4 |
88.90 |
42.93 |
6.35 |
2.41 |
|
1 |
149.35 |
28.45 |
25.40 |
4 |
101.60 |
50.80 |
6.35 |
3.56 |
|
1.1/4 |
158.75 |
28.45 |
25.40 |
4 |
111.25 |
63.50 |
6.35 |
4.13 |
|
1.1/2 |
177.80 |
31.75 |
28.45 |
4 |
123.95 |
73.15 |
6.35 |
5.76 |
|
2 |
215.90 |
38.10 |
25.40 |
8 |
165.10 |
91.95 |
6.35 |
10.07 |
|
2.1/2 |
244.35 |
41.15 |
28.45 |
8 |
190.50 |
104.65 |
6.35 |
13.9 |
|
3 |
241.30 |
38.10 |
25.40 |
8 |
190.50 |
127.00 |
6.35 |
13.10 |
|
4 |
292.10 |
44.45 |
31.75 |
8 |
234.95 |
157.23 |
6.35 |
22.14 |
|
5 |
349.25 |
50.80 |
35.05 |
8 |
279.40 |
185.67 |
6.35 |
36.47 |
|
6 |
381.00 |
55.63 |
31.75 |
12 |
317.50 |
215.90 |
6.35 |
47.46 |
|
8 |
469.90 |
63.50 |
38.10 |
12 |
393.70 |
269.75 |
6.35 |
82.47 |
|
10 |
546.10 |
69.85 |
38.10 |
16 |
469.90 |
323.85 |
6.35 |
122.54 |
|
12 |
609.60 |
79.25 |
38.10 |
20 |
533.40 |
381.00 |
6.35 |
173.07 |
|
14 |
641.35 |
85.85 |
41.15 |
20 |
558.80 |
412.75 |
6.35 |
206.46 |
|
16 |
704.85 |
88.90 |
44.45 |
20 |
615.95 |
469.90 |
6.35 |
259.29 |
|
18 |
787.40 |
101.60 |
50.80 |
20 |
685.80 |
533.40 |
6.35 |
367.18 |
|
20 |
857.25 |
107.95 |
53.85 |
20 |
749.30 |
584.20 |
6.35 |
463.86 |
|
24 |
1041.40 |
139.70 |
66.55 |
20 |
901.70 |
692.15 |
6.35 |
876.56 |
BLIND RF (CLASS 1500)
|
INCH |
D |
t |
h |
No |
K |
G |
f |
KG |
|
1/2 |
120.65 |
22.35 |
22.35 |
4 |
82.55 |
35.05 |
6.35 |
1.78 |
|
3/4 |
130.05 |
25.40 |
22.35 |
4 |
88.90 |
42.93 |
6.35 |
2.41 |
|
1 |
149.35 |
28.45 |
25.40 |
4 |
101.60 |
50.80 |
6.35 |
3.56 |
|
1.1/4 |
158.75 |
28.45 |
25.40 |
4 |
111.25 |
63.50 |
6.35 |
4.13 |
|
1.1/2 |
177.80 |
31.75 |
28.45 |
4 |
123.95 |
73.15 |
6.35 |
5.76 |
|
2 |
215.90 |
38.10 |
25.40 |
8 |
165.10 |
91.95 |
6.35 |
10.07 |
|
2.1/2 |
244.35 |
41.15 |
28.45 |
8 |
190.50 |
104.65 |
6.35 |
13.93 |
|
3 |
266.70 |
47.75 |
31.75 |
8 |
203.20 |
127.00 |
6.35 |
19.20 |
|
4 |
311.15 |
53.85 |
35.05 |
8 |
241.30 |
157.23 |
6.35 |
29.85 |
|
5 |
374.65 |
73.15 |
41.15 |
8 |
292.10 |
185.67 |
6.35 |
58.54 |
|
6 |
393.70 |
82.55 |
38.10 |
12 |
317.50 |
215.90 |
6.35 |
71.85 |
|
8 |
482.60 |
91.95 |
44.45 |
12 |
393.70 |
269.75 |
6.35 |
121.44 |
|
10 |
584.20 |
107.95 |
50.80 |
12 |
482.60 |
323.85 |
6.35 |
210.64 |
|
12 |
673.10 |
123.95 |
53.85 |
16 |
571.50 |
381.00 |
6.35 |
316.46 |
|
14 |
749.30 |
133.35 |
60.45 |
16 |
635.00 |
412.75 |
6.35 |
420.20 |
|
16 |
825.50 |
146.05 |
66.55 |
16 |
704.85 |
469.90 |
6.35 |
558.45 |
|
18 |
914.40 |
162.05 |
73.15 |
16 |
774.70 |
533.40 |
6.35 |
760.98 |
|
20 |
984.25 |
177.80 |
79.25 |
16 |
831.85 |
584.20 |
6.35 |
965.15 |
|
24 |
1168.40 |
203.20 |
91.95 |
16 |
990.60 |
692.15 |
6.35 |
1559.56 |
BLIND RF (CLASS 2500)
|
INCH |
D |
t |
h |
No |
K |
G |
f |
KG |
|
1/2 |
133.35 |
30.23 |
22.35 |
4 |
88.90 |
35.05 |
6.35 |
2.99 |
|
3/4 |
139.70 |
31.75 |
22.35 |
4 |
95.25 |
42.93 |
6.35 |
3.50 |
|
1 |
158.75 |
35.05 |
25.40 |
4 |
107.95 |
50.80 |
6.35 |
4.99 |
|
1.1/4 |
184.15 |
38.10 |
28.45 |
4 |
130.05 |
63.50 |
6.35 |
7.36 |
|
1.1/2 |
203.20 |
44.45 |
31.75 |
4 |
146.05 |
73.15 |
6.35 |
10.42 |
|
2 |
234.95 |
50.80 |
28.45 |
8 |
171.45 |
91.95 |
6.35 |
15.59 |
|
2.1/2 |
266.70 |
57.15 |
31.75 |
8 |
196.85 |
104.65 |
6.35 |
22.65 |
|
3 |
304.80 |
66.55 |
35.05 |
8 |
228.60 |
127.00 |
6.35 |
34.72 |
|
4 |
355.60 |
76.20 |
41.15 |
8 |
273.05 |
157.23 |
6.35 |
54.01 |
|
5 |
419.10 |
91.95 |
47.75 |
8 |
323.85 |
185.67 |
6.35 |
90.58 |
|
6 |
482.60 |
107.95 |
53.85 |
8 |
368.30 |
215.90 |
6.35 |
141.39 |
|
8 |
552.45 |
127.00 |
53.85 |
12 |
438.15 |
269.75 |
6.35 |
214.58 |
|
10 |
673.10 |
165.10 |
66.55 |
12 |
539.75 |
323.85 |
6.35 |
411.18 |
|
12 |
762.00 |
184.15 |
73.15 |
12 |
619.25 |
381.00 |
6.35 |
592.02 |
结构图
SLIP ON RF (CLASS 150)
|
INCH |
D |
B2 |
t |
T2 |
X |
h |
No |
K |
G |
f |
KG |
|
1/2 |
88.90 |
22.35 |
11.18 |
15.75 |
30.23 |
15.75 |
4 |
60.45 |
35.05 |
1.52 |
0.40 |
|
3/4 |
98.55 |
27.69 |
12.70 |
15.75 |
38.10 |
15.75 |
4 |
69.85 |
42.93 |
1.52 |
0.57 |
|
1 |
107.95 |
34.54 |
14.22 |
17.53 |
49.28 |
15.75 |
4 |
79.25 |
50.80 |
1.52 |
0.78 |
|
1.1/4 |
117.35 |
43.18 |
15.75 |
20.57 |
58.67 |
15.75 |
4 |
88.90 |
63.50 |
1.52 |
1.02 |
|
1.1/2 |
127.00 |
49.53 |
17.53 |
22.35 |
65.02 |
15.75 |
4 |
98.55 |
73.15 |
1.52 |
1.33 |
|
2 |
152.40 |
61.98 |
19.05 |
25.40 |
77.72 |
19.05 |
4 |
120.65 |
91.95 |
1.52 |
2.07 |
|
2.1/2 |
177.80 |
74.68 |
22.35 |
28.45 |
90.42 |
19.05 |
4 |
139.70 |
104.65 |
1.52 |
3.31 |
|
3 |
190.50 |
90.68 |
23.88 |
30.23 |
107.95 |
19.05 |
4 |
152.40 |
127.00 |
1.52 |
3.88 |
|
3.1/2 |
215.90 |
103.38 |
23.88 |
31.75 |
122.17 |
19.05 |
8 |
177.80 |
139.70 |
1.52 |
4.84 |
|
4 |
228.60 |
116.08 |
23.88 |
33.27 |
134.87 |
19.05 |
8 |
190.50 |
157.23 |
1.52 |
5.32 |
|
5 |
254.00 |
143.76 |
23.88 |
36.58 |
163.58 |
22.35 |
8 |
215.90 |
185.67 |
1.52 |
6.10 |
|
6 |
279.40 |
170.69 |
25.40 |
39.62 |
192.02 |
22.35 |
8 |
241.30 |
215.90 |
1.52 |
7.46 |
|
8 |
342.90 |
221.49 |
28.45 |
44.45 |
246.13 |
22.35 |
8 |
298.45 |
269.75 |
1.52 |
12.07 |
|
10 |
406.40 |
276.35 |
30.23 |
49.28 |
304.80 |
25.40 |
12 |
361.95 |
323.85 |
1.52 |
16.56 |
|
12 |
482.60 |
327.15 |
31.75 |
55.63 |
365.25 |
25.40 |
12 |
431.80 |
381.00 |
1.52 |
26.26 |
|
14 |
533.40 |
359.16 |
35.05 |
57.15 |
400.05 |
28.45 |
12 |
476.25 |
412.75 |
1.52 |
34.76 |
|
16 |
596.90 |
410.46 |
36.58 |
63.50 |
457.20 |
28.45 |
16 |
539.75 |
469.90 |
1.52 |
45.02 |
|
18 |
635.00 |
461.77 |
39.62 |
68.33 |
504.95 |
31.75 |
16 |
577.85 |
533.40 |
1.52 |
48.90 |
|
20 |
698.50 |
513.08 |
42.93 |
73.15 |
558.80 |
31.75 |
20 |
635.00 |
584.20 |
1.52 |
62.07 |
|
24 |
812.80 |
615.95 |
47.75 |
82.55 |
663.45 |
35.05 |
20 |
749.30 |
692.15 |
1.52 |
87.13 |
SLIP ON RF (CLASS 300)
|
INCH |
D |
B2 |
t |
T2 |
X |
h |
No |
K |
G |
f |
KG |
|
1/2 |
95.25 |
22.35 |
14.22 |
22.35 |
38.10 |
15.75 |
4 |
66.55 |
35.05 |
1.52 |
0.65 |
|
3/4 |
117.35 |
27.69 |
15.75 |
25.40 |
47.75 |
19.05 |
4 |
82.55 |
42.93 |
1.52 |
1.11 |
|
1 |
123.95 |
34.54 |
17.53 |
26.92 |
53.85 |
19.05 |
4 |
88.90 |
50.80 |
1.52 |
1.37 |
|
1.1/4 |
133.35 |
43.18 |
19.05 |
26.92 |
63.50 |
19.05 |
4 |
98.55 |
63.50 |
1.52 |
1.6 |
|
1.1/2 |
155.45 |
49.53 |
20.57 |
30.23 |
69.85 |
22.35 |
4 |
114.30 |
73.15 |
1.52 |
2.4 |
|
2 |
165.10 |
61.98 |
22.35 |
33.27 |
84.07 |
19.05 |
8 |
127.00 |
91.95 |
1.52 |
2.89 |
|
2.1/2 |
190.50 |
74.68 |
25.40 |
38.10 |
100.08 |
22.35 |
8 |
149.35 |
104.65 |
1.52 |
4.33 |
|
3 |
209.55 |
90.68 |
28.45 |
42.93 |
117.35 |
22.35 |
8 |
168.15 |
127.00 |
1.52 |
5.83 |
|
3.1/2 |
228.60 |
103.38 |
30.23 |
44.45 |
133.35 |
22.35 |
8 |
184.15 |
139.70 |
1.52 |
7.36 |
|
4 |
254.00 |
116.08 |
31.75 |
47.75 |
146.05 |
22.35 |
8 |
200.15 |
157.23 |
1.52 |
9.65 |
|
5 |
279.40 |
143.76 |
35.05 |
50.80 |
177.80 |
22.35 |
8 |
234.95 |
185.67 |
1.52 |
12.23 |
|
6 |
317.50 |
170.69 |
36.58 |
52.32 |
206.25 |
22.35 |
12 |
269.75 |
215.90 |
1.52 |
15.66 |
|
8 |
381.00 |
221.49 |
41.15 |
61.98 |
260.35 |
25.40 |
12 |
330.20 |
269.75 |
1.52 |
24.22 |
|
10 |
444.50 |
276.35 |
47.75 |
66.55 |
320.55 |
28.45 |
16 |
387.35 |
323.85 |
1.52 |
34.18 |
|
12 |
520.70 |
327.15 |
50.80 |
73.15 |
374.65 |
31.75 |
16 |
450.85 |
381.00 |
1.52 |
49.91 |
|
14 |
584.20 |
359.16 |
53.85 |
76.20 |
425.45 |
31.75 |
20 |
514.35 |
412.75 |
1.52 |
69.54 |
|
16 |
647.70 |
410.46 |
57.15 |
82.55 |
482.60 |
35.05 |
20 |
571.50 |
469.90 |
1.52 |
88.25 |
|
18 |
711.20 |
461.77 |
60.45 |
88.90 |
533.40 |
35.05 |
24 |
628.65 |
533.40 |
1.52 |
108.76 |
|
20 |
774.70 |
513.08 |
63.50 |
95.25 |
587.25 |
35.05 |
24 |
685.80 |
584.20 |
1.52 |
134.18 |
|
24 |
914.40 |
615.95 |
69.85 |
106.43 |
701.55 |
41.15 |
24 |
812.80 |
692.15 |
1.52 |
201.66 |
SLIP ON RF (CLASS 600)
|
INCH |
D |
B2 |
t |
T2 |
X |
h |
No |
K |
G |
f |
KG |
|
1/2 |
95.25 |
22.35 |
14.22 |
22.35 |
38.10 |
15.75 |
4 |
66.55 |
35.05 |
6.35 |
0.74 |
|
3/4 |
117.35 |
27.69 |
15.75 |
25.40 |
47.75 |
19.05 |
4 |
82.55 |
42.93 |
6.35 |
1.25 |
|
1 |
123.95 |
34.54 |
17.53 |
26.92 |
53.85 |
19.05 |
4 |
88.90 |
50.80 |
6.35 |
1.53 |
|
1.1/4 |
133.35 |
43.18 |
20.57 |
28.45 |
63.50 |
19.05 |
4 |
98.55 |
63.50 |
6.35 |
2.02 |
|
1.1/2 |
155.45 |
49.53 |
22.35 |
31.75 |
69.85 |
22.35 |
4 |
114.30 |
73.15 |
6.35 |
2.97 |
|
2 |
165.10 |
61.98 |
25.40 |
36.58 |
84.07 |
19.05 |
8 |
127.00 |
91.95 |
6.35 |
3.62 |
|
2.1/2 |
190.50 |
74.68 |
28.45 |
41.15 |
100.08 |
22.35 |
8 |
149.35 |
104.65 |
6.35 |
5.24 |
|
3 |
209.55 |
90.68 |
31.75 |
45.97 |
117.35 |
22.35 |
8 |
168.15 |
127.00 |
6.35 |
7.00 |
|
3.1/2 |
228.60 |
103.38 |
35.05 |
49.28 |
133.35 |
25.40 |
8 |
184.15 |
139.70 |
6.35 |
8.84 |
|
4 |
273.05 |
116.08 |
38.10 |
53.85 |
152.40 |
25.40 |
8 |
215.90 |
157.23 |
6.35 |
14.52 |
|
5 |
330.20 |
143.76 |
44.45 |
60.45 |
188.98 |
28.45 |
8 |
266.70 |
185.67 |
6.35 |
24.47 |
|
6 |
355.60 |
170.69 |
47.75 |
66.55 |
222.25 |
28.45 |
12 |
292.10 |
215.90 |
6.35 |
28.82 |
|
8 |
419.10 |
221.49 |
55.63 |
76.20 |
273.05 |
31.75 |
12 |
349.25 |
269.75 |
6.35 |
43.43 |
|
10 |
508.00 |
276.35 |
63.50 |
85.85 |
342.90 |
35.05 |
16 |
431.80 |
323.85 |
6.35 |
70.23 |
|
12 |
558.80 |
327.15 |
66.55 |
91.95 |
400.05 |
35.05 |
20 |
488.95 |
381.00 |
6.35 |
83.92 |
|
14 |
603.25 |
359.16 |
69.85 |
93.73 |
431.80 |
38.10 |
20 |
527.05 |
412.75 |
6.35 |
98.74 |
|
16 |
685.80 |
410.46 |
76.20 |
106.43 |
495.30 |
41.15 |
20 |
603.25 |
469.90 |
6.35 |
142.27 |
|
18 |
742.95 |
461.77 |
82.55 |
117.35 |
546.10 |
44.45 |
20 |
654.05 |
533.40 |
6.35 |
173.32 |
|
20 |
812.80 |
513.08 |
88.90 |
127.00 |
609.60 |
44.45 |
24 |
723.90 |
584.20 |
6.35 |
220.33 |
|
24 |
939.80 |
615.95 |
101.60 |
139.70 |
717.55 |
50.80 |
24 |
838.20 |
692.15 |
6.35 |
312.53 |
SLIP ON RF (CLASS 900)
|
INCH |
D |
B2 |
t |
T2 |
X |
h |
No |
K |
G |
f |
KG |
|
1/2 |
120.65 |
22.35 |
22.35 |
31.75 |
38.10 |
22.35 |
4 |
82.55 |
35.05 |
6.35 |
1.75 |
|
3/4 |
130.05 |
27.69 |
25.40 |
35.05 |
44.45 |
22.35 |
4 |
88.90 |
42.93 |
6.35 |
2.33 |
|
1 |
149.35 |
34.54 |
28.45 |
41.15 |
52.32 |
25.40 |
4 |
101.60 |
50.80 |
6.35 |
3.43 |
|
1.1/4 |
158.75 |
43.18 |
28.45 |
41.15 |
63.50 |
25.40 |
4 |
111.25 |
63.50 |
6.35 |
3.90 |
|
1.1/2 |
177.80 |
49.53 |
31.75 |
44.45 |
69.85 |
28.45 |
4 |
123.95 |
73.15 |
6.35 |
5.38 |
|
2 |
215.90 |
61.98 |
38.10 |
57.15 |
104.65 |
25.40 |
8 |
165.10 |
91.95 |
6.35 |
9.85 |
|
2.1/2 |
244.35 |
74.68 |
41.15 |
63.50 |
123.95 |
28.45 |
8 |
190.50 |
104.65 |
6.35 |
13.65 |
|
3 |
241.30 |
90.68 |
38.10 |
53.85 |
127.00 |
25.40 |
8 |
190.50 |
127.00 |
6.35 |
11.61 |
|
4 |
292.10 |
116.08 |
44.45 |
69.85 |
158.75 |
31.75 |
8 |
234.95 |
157.23 |
6.35 |
19.76 |
|
5 |
349.25 |
143.76 |
50.80 |
79.25 |
190.50 |
35.05 |
8 |
279.40 |
185.67 |
6.35 |
31.93 |
|
6 |
381.00 |
170.69 |
55.63 |
85.85 |
234.95 |
31.75 |
12 |
317.50 |
215.90 |
6.35 |
41.19 |
|
8 |
469.90 |
221.49 |
63.50 |
101.60 |
298.45 |
38.10 |
12 |
393.70 |
269.75 |
6.35 |
70.75 |
|
10 |
546.10 |
276.35 |
69.85 |
107.95 |
368.30 |
38.10 |
16 |
469.90 |
323.85 |
6.35 |
100.58 |
|
12 |
609.60 |
327.15 |
79.25 |
117.35 |
419.10 |
38.10 |
20 |
533.40 |
381.00 |
6.35 |
132.70 |
|
14 |
641.35 |
359.16 |
85.85 |
130.05 |
450.85 |
41.15 |
20 |
558.80 |
412.75 |
6.35 |
153.37 |
|
16 |
704.85 |
410.46 |
88.90 |
133.35 |
508.00 |
44.45 |
20 |
615.95 |
469.90 |
6.35 |
184.90 |
|
18 |
787.40 |
461.77 |
101.60 |
152.40 |
565.15 |
50.80 |
20 |
685.80 |
533.40 |
6.35 |
258.51 |
|
20 |
857.25 |
513.08 |
107.95 |
158.75 |
622.30 |
53.85 |
20 |
749.30 |
584.20 |
6.35 |
317.19 |
|
24 |
1041.40 |
615.95 |
139.70 |
203.20 |
749.30 |
66.55 |
20 |
901.70 |
692.15 |
6.35 |
606.21 |
SLIP ON RF (CLASS 1500)
|
INCH |
D |
B2 |
t |
T2 |
X |
h |
No |
K |
G |
f |
KG |
|
1/2 |
120.65 |
22.35 |
22.35 |
31.75 |
38.10 |
22.35 |
4 |
82.55 |
35.05 |
6.35 |
1.75 |
|
3/4 |
130.05 |
27.69 |
25.40 |
35.05 |
44.45 |
22.35 |
4 |
88.90 |
42.93 |
6.35 |
2.33 |
|
1 |
149.35 |
34.54 |
28.45 |
41.15 |
52.32 |
25.40 |
4 |
101.60 |
50.80 |
6.35 |
3.43 |
|
1.1/4 |
158.75 |
43.18 |
28.45 |
41.15 |
63.50 |
25.40 |
4 |
111.25 |
63.50 |
6.35 |
3.90 |
|
1.1/2 |
177.80 |
49.53 |
31.75 |
44.45 |
69.85 |
28.45 |
4 |
123.95 |
73.15 |
6.35 |
5.38 |
|
2 |
215.90 |
61.98 |
38.10 |
57.15 |
104.65 |
25.40 |
8 |
165.10 |
91.95 |
6.35 |
9.85 |
|
2.1/2 |
244.35 |
74.68 |
41.15 |
63.50 |
123.95 |
28.45 |
8 |
190.50 |
104.65 |
6.35 |
13.65 |
|
3 |
266.70 |
90.68 |
47.75 |
73.15 |
133.35 |
31.75 |
8 |
203.20 |
127.00 |
6.35 |
17.95 |
|
4 |
311.15 |
116.08 |
53.85 |
90.42 |
162.05 |
35.05 |
8 |
241.30 |
157.23 |
6.35 |
27.73 |
|
5 |
374.65 |
143.76 |
73.15 |
104.65 |
196.85 |
41.15 |
8 |
292.10 |
185.67 |
6.35 |
51.93 |
|
6 |
393.70 |
170.69 |
82.55 |
119.13 |
228.60 |
38.10 |
12 |
317.50 |
215.90 |
6.35 |
61.09 |
|
8 |
482.60 |
221.49 |
91.95 |
142.75 |
292.10 |
44.45 |
12 |
393.70 |
269.75 |
6.35 |
103.07 |
|
10 |
584.20 |
276.35 |
107.95 |
158.75 |
368.30 |
50.80 |
12 |
482.60 |
323.85 |
6.35 |
175.39 |
|
12 |
673.10 |
327.15 |
123.95 |
180.85 |
450.85 |
53.85 |
16 |
571.50 |
381.00 |
6.35 |
264.24 |
SLIP ON RF (CLASS 2500)
|
INCH |
D |
B2 |
t |
T2 |
X |
h |
No |
K |
G |
f |
KG |
|
1/2 |
133.35 |
22.35 |
30.23 |
39.62 |
42.93 |
22.35 |
4 |
88.90 |
35.05 |
6.35 |
2.96 |
|
3/4 |
139.70 |
27.69 |
31.75 |
42.93 |
50.80 |
22.35 |
4 |
95.25 |
42.93 |
6.35 |
3.45 |
|
1 |
158.75 |
34.54 |
35.05 |
47.75 |
57.15 |
25.40 |
4 |
107.95 |
50.80 |
6.35 |
4.85 |
|
1.1/4 |
184.15 |
43.18 |
38.10 |
52.32 |
73.15 |
28.45 |
4 |
130.05 |
63.50 |
6.35 |
7.1 |
|
1.1/2 |
203.20 |
49.53 |
44.45 |
60.45 |
79.25 |
31.75 |
4 |
146.05 |
73.15 |
6.35 |
10.0 |
|
2 |
234.95 |
61.98 |
50.80 |
69.85 |
95.25 |
28.45 |
8 |
171.45 |
91.95 |
6.35 |
14.85 |
|
2.1/2 |
266.70 |
74.68 |
57.15 |
79.25 |
114.30 |
31.75 |
8 |
196.85 |
104.65 |
6.35 |
21.49 |
|
3 |
304.80 |
90.68 |
66.55 |
91.95 |
133.35 |
35.05 |
8 |
228.60 |
127.00 |
6.35 |
32.52 |
|
4 |
355.60 |
116.08 |
76.20 |
107.95 |
165.10 |
41.15 |
8 |
273.05 |
157.23 |
6.35 |
49.85 |
|
5 |
419.10 |
143.76 |
91.95 |
130.05 |
203.20 |
47.75 |
8 |
323.85 |
185.67 |
6.35 |
82.90 |
|
6 |
482.60 |
170.69 |
107.95 |
152.40 |
234.95 |
53.85 |
8 |
368.30 |
215.90 |
6.35 |
128.01 |
|
8 |
552.45 |
221.49 |
127.00 |
177.80 |
304.80 |
53.85 |
12 |
438.15 |
269.75 |
6.35 |
187.97 |
|
10 |
673.10 |
276.35 |
165.10 |
228.60 |
374.65 |
66.55 |
12 |
539.75 |
323.85 |
6.35 |
355.51 |
|
12 |
762.00 |
327.15 |
184.15 |
254.00 |
441.45 |
73.15 |
12 |
619.25 |
381.00 |
6.35 |
504.15 |
STANDARD FINISH
STOCK FINISH: The most widely used of any gasket finish, because, practically, is suitable for
all ordinary service conditions. This is a continuous spiral groove. Flanges sizes 12” and smaller,
are produced with a 1/16” round-nosed tool at a feed of 1/32” per revolution. For sizes 14” and
larger, the finish is made with 1/8” round-nosed tool at a feed of 3/64” per revolution.
SPIRAL SERRATED OR PHONOGRAPHIC: This finish is produced by using a 90 Degree
Celsius included-angle《V》tool, making a spiral grove 1/64” deep with a feed of 1/32”.
CONCENTRIC SERRATED: This finish a produced by using a 90 Degree Celsius
included-angle 《V》 tool, making concentric groove 1/64” deep and 1/32” apart.
SMOOTH FINISH: This finish is produced by several shapes of tools cutting at speeds and
feeds which leave no definite tool marks apparent to the naked eye.
1.
RAISED FACE, AND LARGE MALE AND FEMALE
Either a serrated-concentric or serrated-spiral finish having from 24 to 40 grooves per inch is used.
The cutting tool employed has an approximate 0.06 in. or large radius. The resultant surface finish
has a 500 microinch (12.5 µm) appropriate roughness.
2.
TONGUE AND GROOVE, AND SMALL MAKE AND FEMALE
The gasket contact surface does not exceed 125 microinch (3.2µm) roughness.
3.
RING JOINT
The inside wall surface of gasket groove does not exceed 63 microinch (1.6µm) roughness.
4.
BLIND
Blind flanges need not be faced in the center if, when this center part I raised, its diameter is at
least 1 in. smaller than the inside diameter of fittings of the corresponding pressure class. When
the center part is depressed, its diameter is not greater than the inside diameter of the
corresponding pressure class fittings. Machining of the depressed center is not required.
WELDING ENDS
ANSI B16.5 FORGED FLANGES
Notes:
When the thickness of the hub at the bevel is greater than that of the pipe to which the flange is joined and the additional thickness is provided on the outside diameter, a taper weld having a slop not exceeding 1 to 3 may be employed or, alternatively, the greater outside diameter may be tapered, at the same maximum slope or less, from a point on the welding bevel equal to the OD at the mating pipe. Similarly, when the greater thickness is provided on the inside of the flange, it shall be taper-bored from the welding end at a slopw not exceeding 1 to 3.
When flanges covered by this standard are intended for services with light wall, higher strength pipe, the
thickness of the hub at the bevel may be greater than that of the pipe to which the flange is joined. Under
these conditions a single taper hub may be provided and the outside diameter of the hub at the base
(Dimension X) may also be modified.
The additional thickness may e provided on either inside or outside or partially on each side, but the total
additional thickness shall not exceed one-half times the nominal wall thickness of intended mating pipe.
Notes:
(1) When the materials joined have equal minimum specified yield strength, there shall be no restriction on the minimum slope.
(2) Neither t1, t2, nor their sum (t1+t2) shall exceed 0.5t.
(3) When the minimum specified yield strengths of the sections to be joined are unequal, the value of tDshall at least equal t times the ratio of minimum specified yield strength of the pipe to minimum specified yield strength of the flange.
THREAD
ANSI B16.5 FORGED FLANGES Dimensions in inches
Nominal
Pipe
Size |
A-THREAD LENGTHS, INCHES |
|
Class 150 |
Class 300 |
Class 400 |
Class 600 |
Class 900 |
Class 1500 |
Class 2500 |
|
1/2 |
0.625 |
0.625 |
0.625 |
0.625 |
0.875 |
0.875 |
1.125 |
|
3/4 |
0.625 |
0.625 |
0.625 |
0.625 |
1.000 |
1.000 |
1.250 |
|
1 |
0.688 |
0.688 |
0.688 |
0.688 |
1.125 |
1.125 |
1.375 |
|
11/4 |
0.813 |
0.813 |
0.813 |
0.813 |
1.188 |
1.860 |
1.500 |
|
11/2 |
0.875 |
0.875 |
0.875 |
0.875 |
1.250 |
1.250 |
1.750 |
|
2 |
1.000 |
1.125 |
1.125 |
1.125 |
1.500 |
1.500 |
2.000 |
|
21/2 |
1.125 |
1.250 |
1.250 |
1.250 |
1.875 |
1.875 |
2.250 |
|
3 |
1.186 |
1.250 |
1.375 |
1.375 |
1.625 |
2.000 |
2.500 |
|
31/2 |
1.250 |
1.438 |
1.563 |
1.563 |
- |
- |
- |
|
4 |
1.313 |
1.438 |
1.438 |
1.625 |
1.875 |
2.250 |
2.750 |
|
5 |
1.438 |
1.688 |
1.688 |
1.875 |
2.125 |
2.500 |
3.000 |
|
6 |
1.563 |
1.813 |
1.813 |
2.000 |
2.250 |
2.750 |
3.250 |
|
8 |
1.750 |
2.000 |
2.000 |
2.375 |
2.500 |
3.000 |
3.750 |
|
10 |
1.938 |
2.188 |
2.188 |
2.563 |
2.813 |
3.313 |
4.250 |
|
12 |
2.188 |
2.375 |
2.375 |
2.750 |
3.000 |
3.625 |
4.750 |
|
14 |
2.250 |
2.500 |
2.500 |
2.875 |
3.250 |
- |
- |
|
16 |
2.500 |
2.688 |
2.688 |
3.063 |
3.375 |
- |
- |
|
18 |
2.688 |
2.750 |
2.750 |
3.125 |
3.500 |
- |
- |
|
20 |
2.750 |
2.875 |
2.875 |
3.250 |
3.625 |
- |
- |
|
24 |
3.250 |
3.250 |
3.250 |
3.625 |
4.000 |
- |
- |
Notes:
(1) Expect flanges with Small Male/ Female Face (on pipe end), threaded flanges, have an American National Standard taper pipe thread conforming to ANSI B2.1
(2) The thread is concentric with the axis of the flange and variations in alignment do not exceed 0.06 in. per foot (0.5 percent).
(3) Class 150 flanges are made without counterbore. The threads are chamfered approximately to the major diameter of the thread at the back of the flange at an angle of approximately 45 degrees with the axis of the thread. The chamfer is concentric with the thread and included in the measurement of the thread length.
(4) Class 300 and higher pressure flanges are made with a counterbore at the back of the flange. The threads are chamfered to the diameter of the counterbore at an angle of appropriately 45 degrees with the axis of the thread. The counterbore and chamfer are concentric with the thread.
(5) The minimum length of effective thread in reducing flanges is at least equal to dimension Q of the corresponding class of threaded flange as shown in the above tables. Threads do not necessarily extend to the face to the flange.
TOLERANCE
ANSI B16.5 FORGED FLANGES
THREAD, SOCKET-WELDING, SLIP-ON, LAP JOINT AND BLIND.
|
Ouside Diameter |
W hen O.D. is 24” or less |
±1/16”(1.6mm)* |
|
W hen O.D. is Over 24” |
±1/8”(3.2mm)* |
|
Inside Diameter |
Threaded |
W ithin limits on boring gauge |
|
Socket-Welding, Slip-on and Lap Joint |
10” & Smaller
+1/32”(0.88mm),-0”
12” & Larger
+1/16” (1.6mm),-0” |
|
Outside Diameter of Hub |
5” and Smaller |
+3/32” (2.4mm)*
-1/32” (0.8mm) |
|
6” and Larger |
+5/32” (4.0mm)
-1/32” (0.8mm) |
|
Diameter of Contract Face |
1/16” Raised Fac |
±1/32” (0.8mm) |
|
1/4” Raised Face Tongue & Groove Male, Fem ale |
±1/64” (0.4mm) |
|
Diameter of Counterbore |
Same as for Inside Diameter |
|
Drilling |
Bolt Circle |
±1/16” (1.6mm) |
|
Bolt Hole Spacin |
±1/32” (0.8mm) |
|
|
Eccentricity of Bolt Circle with Respect to Facing |
21/2” Smaller
1/32” (0.8mm) Max.
3” & Larger
1/16” (1.6mm) Max. |
|
Eccentricity of Bolt Circle with Respect to Bore |
1/32” (0.8mm) Max.* |
|
Eccentricity of Bolt Circle with Respect to Bore |
1/32” (0.8mm) Max.* |
|
Thicknes |
18” and Smaller |
+1/8” (3.2mm).-0” |
|
20” and Larger |
+3/16” (4.8mm),-0” |
Length
Thru Hub |
10” and Smaller |
±1/16” (1.6mm) |
|
12” and Larger |
±1/8” (3.2mm) |
Note: *This tolerance is not covered in ANSI B16.5, but maker’s option.
TOLERANCE
WELDING NECK
Ouside
Diameter |
W hen O.D. is 24” or less |
±1/16”(1.6mm)* |
|
W hen O.D. is Over 24” |
±1/8”(3.2mm)* |
Inside
Diameter |
10” and Smaller |
±1/32” (0.8mm) |
|
12” thru 18” |
±1/16” (1.6mm) |
|
20” and Larger |
±1/8”(3.2mm)
-1/16” (1.6mm) |
|
Diameter of Contract Face |
1/16” Raised Face |
±1/32” (0.8mm) |
1/4” Raised Face Tongue &
Groove Male, Female |
±1/64” (0.4mm) |
|
Diameter of Hub at Base |
W hen Hub Base is 24” or
Smaller
|
±1/16 (1.6mm)* |
|
W hen Hub Base is Over 24” |
±1/8” (3.2mm)* |
Diameter of Hub at
Point of W elding |
5” and Smaller |
+3/32” (2.4mm),
-1/32” (0.8mm) |
|
6” and Larger |
+5/32” (4.0mm)
-1/32” (0.8mm) |
|
Drilling |
Bolt Circle |
±1/16” (1.6mm) |
|
Bolt Hole Spacing |
±1/32” (0.8mm) |
Eccentricity of Bolt Circle with
Respect to Facing
|
21/2” Smaller
1/32” (0.8mm) Max.
3” & Larger
1/16” (1.6mm) Max. |
|
Eccentricity of Bolt Circle with Respect to Bore |
1/32” (0.8mm) Max.* |
|
Eccentricity of Bolt Circle with Respect to Bore |
1/32” (0.8mm) Max.* |
|
Thicknes |
18” and Smaller |
+1/8” (3.2mm).-0” |
|
20” and Larger |
+3/16” (4.8mm),-0” |
|
10” and Smaller |
±1/16” (1.6mm) |
|
LengthThru Hub |
12” and Larger |
±1/8” (3.2mm) |
声明:【美标法兰】规格型号、结构尺寸由易倍平台_易倍(中国)一站式服务平台,提供,如何选择适用的美标法兰产品,使之在工艺控制中安全可靠、经济适用,可致电我司销售部门及技术部门,我们将在最短的时间内为您解答! |