易倍平台_易倍(中国)一站式服务平台,
公司介绍
新闻中心
组织机构
服务理念
售后服务
联系我们
产品中心
jtgk.png

产品中心

FQ41F46衬氟放料球阀

您的位置:阀门 - 放料阀 - FQ41F46衬氟放料球阀 更新时间:2025-10-29 09:10:04
FQ41F46衬氟放料球阀
    • 质量安全:压力、材质、密封等全方位检测确保质量过关!
    • 价格比较:在相同品质的情况下,厂里直销,更具有优势!
    • 交货快捷:常规产品现货供应,生产加工销售一条龙服务!
      上海凯利科阀门致力于高品质阀门的设计、研发、生产销售服务于一体的大型阀门企业,科技创新,永不止步,与您携手共创辉煌...

    • 产品描述
    • 在线询价
    • 技术咨询
    FQ41F46衬氟放料球阀FQ41F46衬氟放料球阀

    FQ41F46衬氟放料球阀适用在-50℃~150℃的各种浓度的水、硫酸、盐酸、氢氟酸和各种有机酸、强酸、强氧化剂,FEP还适用于各种浓度的强碱有机溶剂以及其它腐蚀性气体、液体介质的管路上使用。

    产品名称: 衬氟放料球阀 产品型号: FQ41F46
    公称通径: DN25~DN200 结构形式: 球形
    公称压力: 1.6MPa~2.5MPa~4.0MPa 连接方式: 法兰
    适用温度: -29ºC~+180ºC 驱动方式: 手动、气动、电动
    阀体材质: 铸钢、不锈钢 制造标准: 国标GB、德国DIN、美国API、ANSI
    适用介质: 水、液体、颗粒状颗粒等 生产厂家: 易倍平台_易倍(中国)一站式服务平台,

    产品说明

    FQ41F46衬氟放料球阀适用在-50℃~150℃的各种浓度的水、硫酸、盐酸、氢氟酸和各种有机酸、强酸、强氧化剂,FEP还适用于各种浓度的强碱有机溶剂以及其它腐蚀性气体、液体介质的管路上使用。

    产品特点

    1、采用氟塑料衬里层的球阀,具有极高的化学稳定性,适用于任何强腐蚀性化学介质;
    2、采用全通浮动球阀结构,在整个压力范围内进行元泄漏关闭,便便于管路系统在通球扫线和管路维护;
    3、流体阻力小,衬里球阀内壁光滑,流道通畅是所有阀类中流体阻力最小的一种。
    4、.开关迅速、方便,只需将球体旋转90°,便完成开户和关闭动作;
    5、采用特殊模压工艺,将衬里材料衬于阀门壳体内壁,能耐强酸、强碱介质的腐蚀。衬里球面与PTFE阀座组合,密封性好,达到了零泄漏;
    6、可配置气动、电动、液动等多种驱动装置,实现远距离控制和自动化操作;
    7、球体与阀杆融为一体,消除了转动角差,杜绝了因压力变化引起阀杆冲出体外的危险,保证了使用的安全性、可靠性;

    衬里材料

    聚三氟乙烯 PCTEF (F3) 适用介质:各种有机溶剂,无机腐蚀液(氧化性酸类) 使用温度:-195~120特点:耐热性,电性能和化学稳定性仅次于F4,机械强度,蠕变性能,硬度比F4好些
    聚全氟乙烯FEP (F46) 适用介质:任何有机溶剂或试剂,稀或浓无 机 酸,碱,酮,芳烃,氯化烃等。使用温度: -85~150特点:力学,电性能和化学稳定性基本与F4相同,但突出优点是动击韧性 高,有极好的耐候性和辐射性。
    聚烯烃PO 适用介质:各种浓度的酸碱盐及某些有机溶剂。
    使用温度:-58~80特点:是目前世界最理想的防腐材料,已广泛用于旋转成型的大型设备和管道件内衬。
    聚偏氯乙烯 PVDF(F2) 使用介质:耐大多数化学药品和溶剂,使用温度:-70~100特点:拉绅强度与压缩强度比F4好,耐弯折,耐候,耐辐射。耐光和老化等,最大特 点是韧性好,易成型。 
    聚四氯乙烯 PTFE(F4) 使用介质:强酸,强碱,强氧化剂等。使用温度:-200~180特点:具有优异的化学稳定性,有很高的耐热性,耐寒性,磨擦系数很低,是极好的 自润滑材料,但机械性能较低,流动性差,热膨胀大。
    聚氯乙烯: 硬质)PVC 适用介质:耐水,浓碱,非氧化性酸,链烃,油和臭氧等。使用温度:0-55特点:机械强度较高,化学稳定性及介电性能优良,耐油性和抗老性也较好,易熔接及粘合,价格较低。
    聚丙烯: RPP 适用介质:无机盐类的水溶液,无 机 酸类,碱类的稀或浓溶液。使用温度:-14~80特点:最轻的塑料之一,其屈服,拉伸和压缩强度,硬度均优于低压聚乙烯,有很突出的刚性,耐热性好,易成型,优廉。改性后动击性,流动性,弯曲弹性。

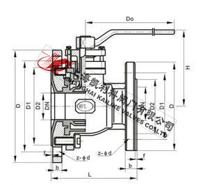
    外形结构图

     

    主要外形尺寸

    公称通径 PN1.6(MPa) 主要外形尺寸和连接尺寸 (mm) 重量
    DN L D D1 D2 f b z-φd D0 H kg
    32 140 135/160 100/130 78/115 3/3 18/20 4-φ14/4-φ18 200 130 9
    40 160 145/185 110/150 85/125 3/4 18/22 4-φ18/4-φ18 230 135 15
    79 标 50 170 160/205 125/170 100/140 3/4 20/24 4-φ18/4-φ18 250 140 18
    80 200 195/245 160/200 130/175 4/5 22/26 4-φ18/8-φ18 300 205 35
    69 标 50 170 160/230 125/190 100/140 3/4 20/24 4-φ18/8-φ14 250 140 18
    80 200 195/245 160/210 130/175 4/5 22/26 4-φ18/10-φ14 300 205 35
    100 280 215/280 180/240 150/210 4/5 24/28 8-φ18/8-φ23 350 230 44
     

    声明:【FQ41F46衬氟放料球阀】规格型号、结构尺寸由易倍平台_易倍(中国)一站式服务平台,提供,如何选择适用的FQ41F46衬氟放料球阀产品,使之在工艺控制中安全可靠、经济适用,可致电我司销售部门及技术部门,我们将在最短的时间内为您解答!

    

    Copyright ©2011-2023 易倍平台_易倍(中国)一站式服务平台,,版权所有。 沪ICP备11046016号-29 网站地图

    销售电话:021-31001158

    手机号码:13816746668 陈国辉/经理

    电子邮件:klkvalves@126.com@126.com

    主营产品:球阀,闸阀,蝶阀,截止阀,止回阀,调节阀

    本周热门:不锈钢阻火器全天候呼吸阀气动球阀气动蝶阀气动刀闸阀气动调节阀电动球阀电动蝶阀电动刀闸阀电动调节阀不锈钢球阀不锈钢闸阀不锈钢截止阀不锈钢止回阀不锈钢电磁阀高压电磁阀高压球阀波纹管截止阀

    官方网址:www.hotalmail.com