易倍平台_易倍(中国)一站式服务平台,
公司介绍
新闻中心
组织机构
服务理念
售后服务
联系我们
产品中心
jtgk.png

产品中心

H40F46浮球式衬氟止回阀

您的位置:阀门 - 止回阀 - H40F46浮球式衬氟止回阀 更新时间:2025-10-29 09:10:54
H40F46浮球式衬氟止回阀
    • 质量安全:压力、材质、密封等全方位检测确保质量过关!
    • 价格比较:在相同品质的情况下,厂里直销,更具有优势!
    • 交货快捷:常规产品现货供应,生产加工销售一条龙服务!
      上海凯利科阀门致力于高品质阀门的设计、研发、生产销售服务于一体的大型阀门企业,科技创新,永不止步,与您携手共创辉煌...

    • 产品描述
    • 在线询价
    • 技术咨询
    H40F46浮球式衬氟止回阀H40F46浮球式衬氟止回阀

    H42F46衬氟立式止回阀适用在-50℃~150℃的各种浓度的王水、硫酸、盐酸、氢氟酸和各种有机酸、强酸、强氧化剂,FEP还适用于各种浓度的强碱有机溶剂以及其它腐蚀性气体、液体介质的管路上使用。其主要作用是防止介质倒流。

    产品名称: 浮球式衬氟止回阀 产品型号: H40F46
    公称通径: DN15~DN500 结构形式: 浮球式
    公称压力: 0.6MPa~1.0MPa~1.6MPa 连接方式: 法兰
    适用温度: -50ºC~+150ºC 驱动方式: 介质推动
    连接材质: 铸铁、铸钢、不锈钢 标准: 国标GB、德国DIN、美国API、ANSI
    适用介质: 王水、硫酸、盐酸、氢氟酸等 生产厂家: 易倍平台_易倍(中国)一站式服务平台,

    产品说明

    H40F46浮球式衬氟止回阀适用在-50℃~150℃的各种浓度的王水、硫酸、盐酸、氢氟酸和各种有机酸、强酸、强氧化剂,FEP还适用于各种浓度的强碱有机溶剂以及其它腐蚀性气体、液体介质的管路上使用。其主要作用是防止介质倒流。

    标准规范

    设计制造标准:GB/T 12235
    结构长度标准:GB/T 12221-2005
    连接法兰标准:GB/T 9113、HG20592-97
    压力温度等级:GB/T 12224-2005
    试验检验标准:GB/T 13927-2008

    主要零部件的材料

    序号 零件名称 灰铸铁 铸钢 不锈耐酸铸钢 超低碳不锈耐酸铸钢
    Z C P R PL RL
    1 阀体/阀盖 HT250 WCB CF8 CF8M CF3 CF3M
    2 阀瓣/阀杆 35 1Cr13 1Cr18Ni9 1Cr18Ni12Mo2Ti 00Cr18Ni10 00Cr17Ni14Mo2
    3 衬里/阀座 PTEF(F3)、FEP(F46)、PFA(可溶F4)、PP、PO
    4 紧固螺栓 WCB 1Cr17Ni2 1Cr18Ni9Ti
    5 浮球 氟塑料 0Cr18Ni9Ti 1Cr18Ni9Ti

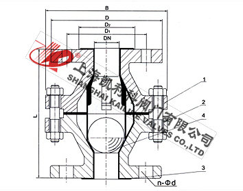
    外形结构图

     

    主要外形尺寸PN1.0MPa

    公称通经 L D D1 D2 f b Z-φd
    DN(mm) NPS(inch) PN1.0MPa
    15 1/2 108 95 65 45 2 14 4-φ14
    20 3/4 117 105 75 55 2 16 4-φ14
    25 1 127 115 85 65 2 16 4-φ14
    32 5/4 140 135 100 78 2 18 4-φ18
    40 3/2 165 145 110 85 3 18 4-φ18
    50 2 203 160 125 100 3 20 4-φ18
    65 5/2 216 180 145 120 3 20 4-φ18
    80 3 241 195 160 135 3 22 4-φ18
    100 4 292 215 180 155 3 22 8-φ18
    150 6 356 280 240 210 3 24 8-φ23
    200 8 495 335 295 265 3 26 8-φ23
    250 10 622 390 350 320 3 28 12-φ23
    300 12 698 440 400 368 4 28 12-φ23
    350 14 787 500 460 428 4 30 16-φ23
    400 16 914 565 515 482 4 32 16-φ25
    450 18 978 615 565 532 4 32 20-φ25
    500 20 978 670 620 585 4 34 20-φ25

    主要外形尺寸PN1.6MPa

    公称通经 L D D1 D2 f b Z-φd
    DN(mm) NPS(inch) PN1.6MPa
    15 1/2 108 95 65 45 2 14 4-φ14
    20 3/4 117 105 75 55 2 16 4-φ14
    25 1 127 115 85 65 2 16 4-φ14
    32 5/4 140 135 100 78 2 18 4-φ18
    40 3/2 165 145 110 85 3 18 4-φ18
    50 2 203 160 125 100 3 20 4-φ18
    65 5/2 216 180 145 120 3 20 4-φ18
    80 3 241 195 160 135 3 22 8-φ18
    100 4 292 215 180 155 3 24 8-φ18
    150 6 356 280 240 210 3 28 8-φ23
    200 8 495 335 295 265 3 30 12-φ23
    250 10 622 405 355 320 4 32 12-φ25
    300 12 698 460 410 375 4 34 12-φ25
    350 14 787 520 470 435 4 38 16-φ25
    400 16 914 580 525 485 4 40 16-φ30

    主要外形尺寸PN2.5MPa

    公称通经 L D D1 D2 f b Z-φd
    DN(mm) NPS(inch) PN2.5MPa
    15 1/2 108 95 65 45 2 16 4-φ14
    20 3/4 117 105 75 55 2 16 4-φ14
    25 1 127 115 85 65 2 16 4-φ14
    32 5/4 140 135 100 78 2 18 4-φ18
    40 3/2 165 145 110 85 3 18 4-φ18
    50 2 203 160 125 100 3 20 4-φ18
     
     
     
     

    声明:【H40F46浮球式衬氟止回阀】规格型号、结构尺寸由易倍平台_易倍(中国)一站式服务平台,提供,如何选择适用的H40F46浮球式衬氟止回阀产品,使之在工艺控制中安全可靠、经济适用,可致电我司销售部门及技术部门,我们将在最短的时间内为您解答!

    

    Copyright ©2011-2023 易倍平台_易倍(中国)一站式服务平台,,版权所有。 沪ICP备11046016号-29 网站地图

    销售电话:021-31001158

    手机号码:13816746668 陈国辉/经理

    电子邮件:klkvalves@126.com@126.com

    主营产品:球阀,闸阀,蝶阀,截止阀,止回阀,调节阀

    本周热门:不锈钢阻火器全天候呼吸阀气动球阀气动蝶阀气动刀闸阀气动调节阀电动球阀电动蝶阀电动刀闸阀电动调节阀不锈钢球阀不锈钢闸阀不锈钢截止阀不锈钢止回阀不锈钢电磁阀高压电磁阀高压球阀波纹管截止阀

    官方网址:www.hotalmail.com