【结构图片】

【结构说明】
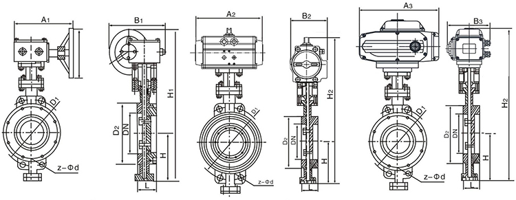
上海凯利科为您提供GD气动高性能蝶阀结构图,本结构图希望对您有所帮助。
1、GD气动高性能蝶阀结构设计的主要依据国家相关标准规定设计。
2、GD气动高性能蝶阀所采用的通用做法和标准构件图集。
3、如有特殊GD气动高性能蝶阀构件需作结构性能检验时,应指出检验的方法与要求。
4、GD气动高性能蝶阀主要根据剖面、长度、高度、外形等作出说明。
5、GD气动高性能蝶阀所选用结构材料的品种、规格、性能及相应的产品标准。
【结构总结】
GD气动高性能蝶阀结构主要是给安装单位提供具有更好的了解该GD气动高性能蝶阀的外形结构、使用时考虑到工况、环境等因数在应用中有着更合理的计划规范,不会在安装时产生空间使用不合理等常见问题。本结构图所属易倍平台_易倍(中国)一站式服务平台,提供,并提供相关外形尺寸,在应用中可以作为参考。