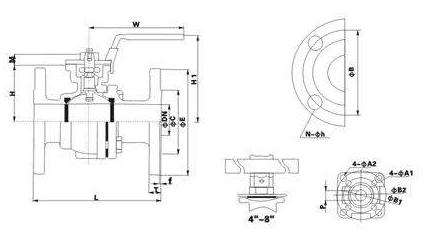
【结构图片】

【结构说明】
上海凯利科为您提供不锈钢法兰高平台球阀结构图,本结构图希望对您有所帮助。
1、不锈钢法兰高平台球阀结构设计的主要依据国家相关标准规定设计。
2、不锈钢法兰高平台球阀所采用的通用做法和标准构件图集。
3、如有特殊不锈钢法兰高平台球阀构件需作结构性能检验时,应指出检验的方法与要求。
4、不锈钢法兰高平台球阀主要根据剖面、长度、高度、外形等作出说明。
5、不锈钢法兰高平台球阀所选用结构材料的品种、规格、性能及相应的产品标准。
【结构总结】
不锈钢法兰高平台球阀结构主要是给安装单位提供具有更好的了解该不锈钢法兰高平台球阀的外形结构、使用时考虑到工况、环境等因数在应用中有着更合理的计划规范,不会在安装时产生空间使用不合理等常见问题。本结构图所属易倍平台_易倍(中国)一站式服务平台,提供,并提供相关外形尺寸,在应用中可以作为参考。